lemon-mirror:
Home >> Honda >> 2012 >> Insight Base >> Repair and Diagnosis >> Engine Mechanical >> Mechanical >> Engine Assembly >> Transmission Mount Bracket Replacement

Transmission Mount Bracket Replacement

  1. Do the 12 volt battery removal procedure (see RECONNECTION ).
  2. Turn the battery module switch OFF (see DISCONNECTING THE MOTOR POWER CABLE CONNECTOR FROM THE MOTOR STATOR ).
  3. Remove the air cleaner (see AIR CLEANER REMOVAL/INSTALLATION ).
  4. Disconnect the battery cables (A) from the battery terminal fuse box.
    Fig 1: Identifying Battery Cables And Harness Clamp
    G08091820Courtesy of AMERICAN HONDA MOTOR CO., INC.
  5. Remove the harness clamps (B).
  6. Remove the harness clamp (A). Remove the two bolts (B) and loosen the two bolts (C), then remove the battery base (D).
    Fig 2: Identifying Harness Clamp, Bolts And Battery Base
    G08091821Courtesy of AMERICAN HONDA MOTOR CO., INC.
  7. Remove the PCM (see PCM REPLACEMENT ).
  8. Disconnect the IMA power cable and the harness clamp (see step  39).
  9. Support the transmission with a jack and a wood block from under the transmission.
  10. Remove the harness holders (A).
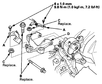
    Fig 3: Harness Holders, Transmission Mount Bolts And Nuts With Torque Specifications
    G08091822Courtesy of AMERICAN HONDA MOTOR CO., INC.
  11. Remove the transmission mount bolts (B) and nuts (C) then remove the transmission mount bracket (D).
  12. Install the transmission mount bracket, and loosely install the new transmission mount bracket mounting bolts and nuts.
  13. Install the harness holders.
  14. Remove the jack and wood block from under the transmission.
  15. Raise the vehicle on the lift.
  16. Loosen the torque rod mounting bolt and nut (A).
    Fig 4: Identifying Torque Rod Mounting Nuts
    G08091823Courtesy of AMERICAN HONDA MOTOR CO., INC.
  17. Lower the vehicle on the lift.
  18. Tighten the transmission mount mounting bolts and nuts in the numbered sequence shown.
    Fig 5: Tightening Sequence Of Transmission Mount Mounting Bolts With Torque Specifications
    G08091824Courtesy of AMERICAN HONDA MOTOR CO., INC.
  19. Raise the vehicle on the lift.
  20. Tighten the torque rod mounting bolt and nut in the numbered sequence shown.
    Fig 6: Tightening Sequence Of Torque Rod Mounting Bolts With Torque Specifications
    G08091825Courtesy of AMERICAN HONDA MOTOR CO., INC.
  21. Lower the vehicle on the lift.
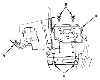
  22. Install the battery base (A), then install the harness clamp (B).
    Fig 7: Battery Base, Harness Clamp And Bolts With Torque Specifications
    G08091826Courtesy of AMERICAN HONDA MOTOR CO., INC.
  23. Connect the battery cables (A) to the battery terminal fuse box.
    Fig 8: Identifying Battery Cables And Harness Clamps
    G08091827Courtesy of AMERICAN HONDA MOTOR CO., INC.
  24. Install the harness clamps (B).
  25. Install the PCM (see PCM REPLACEMENT ).
  26. Connect the IMA power cable and the harness clamp (see step  36).
  27. Turn the battery module switch ON (see DISCONNECTING THE MOTOR POWER CABLE CONNECTOR FROM THE MOTOR STATOR ).
  28. Do the 12 volt battery installation procedure (see RECONNECTION ).
  29. Install the air cleaner (see AIR CLEANER REMOVAL/INSTALLATION ).