lemon-mirror:
Home >> Honda >> 2012 >> Insight Base >> Repair and Diagnosis >> Engine Mechanical >> Mechanical >> Engine Assembly >> Transmission Mount Replacement

Transmission Mount Replacement

  1. Do the 12 volt battery removal procedure (see RECONNECTION ).
  2. Turn the battery module switch OFF (see DISCONNECTING THE MOTOR POWER CABLE CONNECTOR FROM THE MOTOR STATOR ).
  3. Remove the air cleaner (see AIR CLEANER REMOVAL/INSTALLATION ).
  4. Disconnect the battery cables (A) from the battery terminal fuse box.
    Fig 1: Identifying Battery Cables And Harness Clamps
    G08091808Courtesy of AMERICAN HONDA MOTOR CO., INC.
  5. Remove the harness clamps (B).
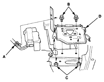
  6. Remove the harness clamp (A). Remove the two bolts (B) and loosen the two bolts (C), then remove the battery base (D).
    Fig 2: Identifying Harness Clamp, Bolts And Battery Base
    G08091809Courtesy of AMERICAN HONDA MOTOR CO., INC.
  7. Remove the PCM (see PCM REPLACEMENT ).
  8. Disconnect the IMA power cable connector and the harness clamp (see step  39).
  9. Support the transmission with a jack and a wood block under the transmission.
  10. Remove the harness holders (A).
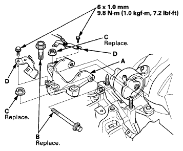
    Fig 3: Identifying Harness Holder, Transmission Mount Bolts And Nuts
    G08091810Courtesy of AMERICAN HONDA MOTOR CO., INC.
  11. Remove the transmission mount bolts (B) and nuts (C), then remove the transmission mount bracket (D).
  12. Remove the transmission mount.
    Fig 4: Tightening Sequence Of Transmission Mount Mounting Bolts With Torque Specifications
    G08091811Courtesy of AMERICAN HONDA MOTOR CO., INC.
  13. Install the transmission mount, and loosely install the new transmission mount mounting bolts, then tighten the transmission mount mounting bolts in the numbered sequence shown.
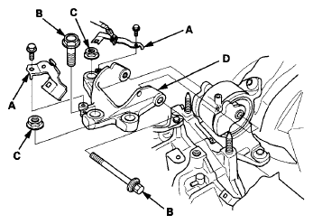
  14. Install the transmission mount bracket (A), and loosely install the new transmission mount bracket mounting bolts (B) and nuts (C).
    Fig 5: Transmission Mount Bracket And Fasteners With Torque Specifications
    G08091812Courtesy of AMERICAN HONDA MOTOR CO., INC.
  15. Install the harness holders (D).
  16. Remove the jack and wood block from under the transmission.
  17. Raise the vehicle on the lift.
  18. Loosen the torque rod mounting bolt and nut (A).
    Fig 6: Identifying Torque Rod Mounting Nuts
    G08091813Courtesy of AMERICAN HONDA MOTOR CO., INC.
  19. Lower the vehicle on the lift.
  20. Tighten the transmission mount mounting bolts and nuts in the numbered sequence shown.
    Fig 7: Tightening Sequence Of Transmission Mount Mounting Bolts
    G08091814Courtesy of AMERICAN HONDA MOTOR CO., INC.
  21. Raise the vehicle on the lift.
  22. Tighten the torque rod mounting bolt and nut in the numbered sequence shown.
    Fig 8: Tightening Sequence Of Torque Rod Mounting Bolts With Torque Specifications
    G08091815Courtesy of AMERICAN HONDA MOTOR CO., INC.
  23. Install the battery base (A), then install the harness clamp (B).
    Fig 9: Battery Base, Harness Clamp And Bolts With Torque Specifications
    G08091816Courtesy of AMERICAN HONDA MOTOR CO., INC.
  24. Connect the battery cables (A) to the battery terminal fuse box.
    Fig 10: Identifying Battery Cables And Harness Clamp
    G08091817Courtesy of AMERICAN HONDA MOTOR CO., INC.
  25. Install the harness clamps (B).
  26. Install the PCM (see PCM REPLACEMENT ).
  27. Connect the IMA power cable connector and the harness clamp (see step  36).
  28. Turn the battery module switch ON (see DISCONNECTING THE MOTOR POWER CABLE CONNECTOR FROM THE MOTOR STATOR ).
  29. Do the 12 volt battery installation procedure (see RECONNECTION ).
  30. Install the air cleaner (see AIR CLEANER REMOVAL/INSTALLATION ).