lemon-mirror:
Home >> Honda >> 2012 >> Insight Base >> Repair and Diagnosis >> Transmission >> Automatic Trans >> CVT >> System Description >> Hydraulic Flow >> R Position

R Position

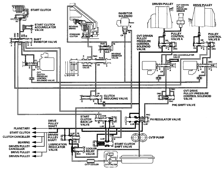
The manual valve is shifted into the R position, and uncovers the reverse brake pressure (RVS) port leading to the reverse inhibitor valve. The inhibitor solenoid is turned OFF by the PCM, and the reverse inhibitor pressure (RI) is applied to the right end of the reverse inhibitor valve. The reverse inhibitor valve is moved to the left side, and uncovers the reverse brake pressure (RVS') port leading to the reverse brake. The clutch reducing pressure (CR) becomes the reverse brake pressure (RVS), and flows to the reverse brake via the reverse inhibitor valve. The reverse brake is engaged, and it locks the planetary carrier.

NOTE: When used, "left" or "right" indicates direction on the hydraulic circuit.
Fig 1: Hydraulic Pressure Flow Circuit Diagram (R Position)
G08093041Courtesy of AMERICAN HONDA MOTOR CO., INC.