lemon-mirror:
Home >> Honda >> 2012 >> Insight Base >> Repair and Diagnosis >> Transmission >> Automatic Trans >> CVT >> Transmission Removal

Transmission Removal

Special Tools Required 

*: Available through the Honda Tool and Equipment Program 888-424-6857

NOTE:
  • Use fender covers to avoid damaging painted surfaces.
  • Engine support hanger (AAR-T1256) must be used with the side engine mount installed.
  1. Before removing the transmission, read the Service Precautions for the IMA System (see SERVICE PRECAUTIONS ).
  2. Turn the battery module switch OFF, and measure the voltage at the junction board terminals (see DISCONNECTING THE MOTOR POWER CABLE CONNECTOR FROM THE MOTOR STATOR ).
  3. Fix the hood in the vertical position.
  4. Do the battery removal procedure (see RECONNECTION ).
  5. Remove the starter cable (A), and disconnect the S terminal connector (B).
    Fig 1: Identifying Starter Cable, S Terminal Connector, Harness Clamps And Clamp Brackets
    G08093159Courtesy of AMERICAN HONDA MOTOR CO., INC.
  6. Remove the harness clamps (C) from the clamp brackets (D), and remove the starter harness (E) from the harness clamp (F) on the battery tray (G).
  7. Remove the battery tray and the battery base.
  8. Remove the windshield wiper arms (see WIPER ARM REPLACEMENT ).
  9. Remove the cowl cover and the under-cowl panel (see COWL COVER REPLACEMENT ).
  10. Remove the air cleaner assembly (see AIR CLEANER REMOVAL/INSTALLATION ).
  11. Remove the under-hood fuse/relay box bracket, PCM, and PCM bracket.
  12. Remove the IMA motor power cable clamps (A) from the bracket.
    Fig 2: Identifying IMA Motor Power Cable Clamps
    G08093160Courtesy of AMERICAN HONDA MOTOR CO., INC.
  13. Disconnect the IMA motor power cable connector (A).
    NOTE: Before disconnecting the IMA motor power cable connector, make sure you have read the IMA service precaution (see SERVICE PRECAUTIONS ).
    Fig 3: Identifying IMA Motor Power Cable Connector
    G08093161Courtesy of AMERICAN HONDA MOTOR CO., INC.
  14. Raise the vehicle on a lift, and make sure it is securely supported.
  15. Remove the splash shield (see SPLASH SHIELD REPLACEMENT ).
  16. Remove the drain plug (A), and drain the CVTF.
    Fig 4: Drain Plug And Sealing Washer With Torque Specifications
    G08093162Courtesy of AMERICAN HONDA MOTOR CO., INC.
  17. Reinstall the drain plug and a new sealing washer (B).
    NOTE:
    • Remove metal particles from the magnetic surface of the drain plug.
    • If a cooler cleaning is necessary, refer to the CVTF COOLER CLEANING .
  18. Remove the CVT driven pulley pressure sensor cover (A)
    Fig 5: Identifying CVT Driven Pulley Pressure Sensor Cover And Bolts
    G08093163Courtesy of AMERICAN HONDA MOTOR CO., INC.
  19. Remove the CVT driven pulley pressure sensor 3P connector (A).
    Fig 6: Identifying CVT Driven Pulley Pressure Sensor 3P Connector, Harness Cover And Bolts
    G08093164Courtesy of AMERICAN HONDA MOTOR CO., INC.
  20. Remove the harness cover (B).
  21. Disconnect the CVTF cooler hoses (A) from the CVTF cooler pipes (B), then plug the CVTF cooler hoses and the pipes.
    Fig 7: Identifying CVTF Cooler Hoses, CVTF Cooler Pipes, CVTF Filter And Bolt
    G08093165Courtesy of AMERICAN HONDA MOTOR CO., INC.
  22. Remove the bolt (C) and the CVTF filter (D) with the CVTF filter holder, then hang the CVTF filter on body.
  23. Disconnect the solenoid wire harness 8P connector (A) and the CVT input shaft (drive pulley) speed sensor 3P connector (B).
    Fig 8: Identifying CVT Input Shaft (Drive Pulley) Speed Sensor 3P Connector, Harness Holder And Clamp Bracket
    G08093166Courtesy of AMERICAN HONDA MOTOR CO., INC.
  24. Remove the harness holder (C) from the clamp bracket (D), then remove the clamp bracket.
  25. Disconnect the transmission range switch 8P connector (A), the CVT output shaft (driven pulley) speed sensor 3P connector (B), and the vehicle speed sensor 3P connector (C).
    Fig 9: Identifying CVT Output Shaft (Driven Pulley) Speed Sensor 3P Connector And Vehicle Speed Sensor 3P Connector
    G08093167Courtesy of AMERICAN HONDA MOTOR CO., INC.
  26. Remove the harness holder (D) from the clamp bracket (E), and remove the harness cover (F) from the clamp bracket (G).
  27. Remove the hose clamp (A) from the heater hose, then remove the clamp bracket (B).
    Fig 10: Identifying Heater Hose Clamp, Lock Pin And Control Pin
    G08093168Courtesy of AMERICAN HONDA MOTOR CO., INC.
  28. Remove the lock pin (C) and the control pin (D) from the selector control lever (E).
  29. Remove the bolts securing the shift cable holder (F), then separate the shift cable end (G) from the selector control lever. Check the shift cable end collar (H) for wear or damage, and replace the shift cable (I) (see SHIFT CABLE REPLACEMENT ) if necessary.
  30. Remove the hose clamp (A) from the clamp bracket (B).
    Fig 11: Identifying Starter Bolts, Hose Clamp And Clamp Bracket
    G08093169Courtesy of AMERICAN HONDA MOTOR CO., INC.
  31. Remove the starter (C).
  32. Remove the drive plate bolts (six) at the opening of the starter while rotating the engine crankshaft pulley.
    Fig 12: Identifying Drive Plate Bolts
    G08093170Courtesy of AMERICAN HONDA MOTOR CO., INC.
  33. Remove the purge hose (A).
    Fig 13: Identifying Air Cleaner Bracket Hole With Bolt And Nut
    G08093171Courtesy of AMERICAN HONDA MOTOR CO., INC.
  34. Install the sub hunger stay (07AAK-SNAA120) to the air cleaner bracket hole (B) with a bolt (C) and a nut (D).
  35. Remove the harness clamp (A) from its clamp bracket (B) located in front of the left damper top.
    Fig 14: Identifying Engine Support Hanger (AAR-T1256)
    G08093172Courtesy of AMERICAN HONDA MOTOR CO., INC.
  36. Install the engine support hanger (AAR-T1256). Carefully position the engine support hanger to the vehicle; position both cross-arm foot bases (C) over the harness clamp brackets on both sides, and position both front stands (D) on the front bulkhead. Attach the hook (E) to the hanger stay, tighten the wing nut (F) by hand, to lift and support the engine.
    NOTE: Be careful when working around the windshield.
  37. Remove the steering joint cover, then disconnect the steering joint from the steering gearbox pinion shaft (see step 5 STEERING GEARBOX REMOVAL AND INSTALLATION ).
    NOTE:
    • Hold the steering wheel in the steering wheel holder tool.
    • Hold the lower slide shaft on the column with a piece of wire between the joint yokes.
  38. Insert a 5 mm hex wrench (A) in the top of the ball joint pin (B), and remove the nuts (C), then separate the stabilizer link (D) from the stabilizer ends (E).
    Fig 15: Identifying Ball Joint And Stabilizer Link Assembly
    G08093173Courtesy of AMERICAN HONDA MOTOR CO., INC.
  39. Remove the lock pin (F) and the castle nuts (G), and separate the lower arms (H) from the knuckles (I) (see BALL JOINT REMOVAL ).
  40. Separate the tie-rod end ball joints from the knuckles (see step 11 STEERING GEARBOX REMOVAL AND INSTALLATION ).
  41. Disconnect the EPS motor connector and the torque sensor connector (see step 18 STEERING GEARBOX REMOVAL AND INSTALLATION ).
  42. Place a jack under the transmission, raise it just enough to take it off of the lower torque rod, and remove the torque rod bolt (A) from the transmission.
    Fig 16: Identifying Torque Rod Bolt, Lower Torque Rod Nut And Bolt
    G08093174Courtesy of AMERICAN HONDA MOTOR CO., INC.
  43. Remove the lower torque rod nut (B) and bolt (C) from the front subframe, and remove the torque rod (D).
    NOTE: Make sure the tab (E) on the bolt head aligned with the guide (F) on the front subframe.
  44. Support the front subframe with a jack.
  45. Remove the six bolts (A) securing the front subframe (B), then remove the subframe with the steering gearbox (C).
    Fig 17: Supporting Front Subframe With Jack
    G08093175Courtesy of AMERICAN HONDA MOTOR CO., INC.
  46. Remove the driveshaft cover (A).
    Fig 18: Identifying Driveshaft Cover And Bolts
    G08093176Courtesy of AMERICAN HONDA MOTOR CO., INC.
  47. Remove the left and right driveshafts from the differential (see step 7 DRIVESHAFT REMOVAL ). Coat all precision machined surfaces with clean engine oil, then put plastic bags over driveshaft ends.
    Fig 19: Identifying Plastic Bags
    G08093177Courtesy of AMERICAN HONDA MOTOR CO., INC.
  48. Remove the ground cable terminal bracket (A).
    Fig 20: Identifying Transmission Mount/Bracket With Bolts And Nuts
    G08093178Courtesy of AMERICAN HONDA MOTOR CO., INC.
  49. Remove the bolts and the nuts, and the transmission mount/bracket (B).
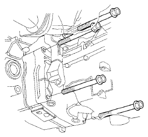
  50. Remove the upper and front transmission housing mounting bolts.
    Fig 21: Identifying Upper And Front Transmission Housing Mounting Bolts
    G08093179Courtesy of AMERICAN HONDA MOTOR CO., INC.
  51. Place a jack under the transmission.
  52. Remove the lower torque rod bracket.
    Fig 22: Identifying Lower Torque Rod Bracket And Bolts
    G08093180Courtesy of AMERICAN HONDA MOTOR CO., INC.
  53. Remove the rear and lower transmission housing mounting bolts.
    Fig 23: Identifying Rear And Lower Transmission Housing Mounting Bolts
    G08093181Courtesy of AMERICAN HONDA MOTOR CO., INC.
  54. Lower the transmission by loosening the wing nut of the engine support hanger, and tilt the engine just enough for the transmission to clear the side frame.
  55. Slide the transmission away from the motor to remove it from the vehicle.
  56. Remove the flywheel assembly with the rubber sealing ring and the dowel pins.
    Fig 24: Identifying Flywheel Assembly With Rubber Sealing Ring And Dowel Pins
    G08093182Courtesy of AMERICAN HONDA MOTOR CO., INC.