lemon-mirror:
Home >> Honda >> 2012 >> Insight EX >> Repair and Diagnosis >> Transmission >> Automatic Trans >> CVT >> Shift Cable Replacement

Shift Cable Replacement

  1. Raise the vehicle on a lift, or apply the parking brake, block rear wheels, and raise the front of the vehicle. Make sure it is securely supported.
  2. Remove the center console (see CENTER CONSOLE REMOVAL/INSTALLATION ).
  3. Move the shift lever to N.
  4. Remove the nut (A) securing the shift cable end (B).
    Fig 1: Identifying Shift Cable End And Nut
    G08093227Courtesy of AMERICAN HONDA MOTOR CO., INC.
  5. Rotate the socket holder (A) on the shift cable (B) a quarter turn; the corner (C) on the socket holder will be in the opening (D) of the shift lever bracket base (E). Then slide the socket holder to remove the shift cable from the bracket. Do not remove the shift cable by pulling the shift cable guide (F).
    Fig 2: Rotating Socket Holder On Shift Cable
    G08093228Courtesy of AMERICAN HONDA MOTOR CO., INC.
  6. Remove the air cleaner (see AIR CLEANER REMOVAL/INSTALLATION ).
  7. Remove the heater hose clamps (A) and the IMA power cable clamps (B) from the bracket.
    Fig 3: Identifying Heater Hose Clamps And IMA Power Cable Clamps
    G08093229Courtesy of AMERICAN HONDA MOTOR CO., INC.
  8. Disconnect the transmission range switch 8P connector (A) and the CVT output shaft (driven pulley) speed sensor 3P connector (B).
    Fig 4: Identifying Transmission Range Switch 8P And CVT Output Shaft (Driven Pulley) Speed Sensor 3P Connectors
    G08093230Courtesy of AMERICAN HONDA MOTOR CO., INC.
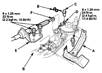
  9. Remove the harness clamp (C) and the harness holder clamp (D) from the harness clamp bracket.
  10. Remove the ground terminal bracket (A) from the transmission mount (B).
    Fig 5: Identifying Ground Terminal Bracket And Transmission Mount
    G08093231Courtesy of AMERICAN HONDA MOTOR CO., INC.
  11. Remove the harness clamp bracket (A).
    Fig 6: Harness Clamp Bracket, Snap Pin, Control Pin And Control Lever With Torque Specifications
    G08093232Courtesy of AMERICAN HONDA MOTOR CO., INC.
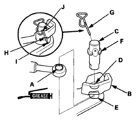
  12. Remove the snap pin (B) and the control pin (C) from the control lever (D).
  13. Remove the bolts securing the shift cable holder (E), then separate the shift cable (F) from the control lever.
  14. Remove the heat shield from under the body.
  15. Remove the nut securing the shift cable bracket (A).
    Fig 7: Shift Cable Grommet And Shift Cable Bracket Nut With Torque Specifications
    G08093233Courtesy of AMERICAN HONDA MOTOR CO., INC.
  16. Remove the shift cable grommet (B), and pull out the shift cable (C).
  17. Insert a new shift cable through the grommet hole (D), and install the grommet in its hole. Do not bend the shift cable excessively.
  18. Secure the shift cable bracket with the nut.
  19. Install the heat shield.
  20. Secure the shift cable holder on the transmission with the bolts.
  21. Install the harness clamp bracket.
  22. Apply molybdenum grease to the center of the shift cable end collar (A). Attach the shift cable end to the selector control lever (B). Insert the control pin (C) through the selector control lever hole (D), through the shift cable end hole, and into the selector control lever slotted hole (E) in the direction shown. Push the control pin until its flange (F) contacts the selector control lever surface.
    Fig 8: Identifying Molybdenum Grease Applying Area To Center Of Shift Cable End Collar
    G08093234Courtesy of AMERICAN HONDA MOTOR CO., INC.
  23. Insert the snap pin (G) in the direction show through the control pin hole and out the opening (H) of the selector control lever so that the hooked end (I) of the snap pin snaps into the countersunk hole (J) of the control pin.
  24. Install the ground terminal bracket (A).
    Fig 9: Ground Terminal Bracket And Bolt With Torque Specifications
    G08093235Courtesy of AMERICAN HONDA MOTOR CO., INC.
  25. Install the harness clamps (A) and the harness holder clamp (B).
    Fig 10: Identifying Transmission Range Switch 8P Connector And Harness Clamps
    G08093236Courtesy of AMERICAN HONDA MOTOR CO., INC.
  26. Connect the transmission range switch 8P connector (C) and the CVT output shaft (driven pulley) speed sensor 3P connector (D).
  27. Install the harness hose clamps (A) and IMA power cable clamp (B).
    Fig 11: Identifying IMA Power Cable Clamp And Harness Hose Clamps
    G08093237Courtesy of AMERICAN HONDA MOTOR CO., INC.
  28. Install the air cleaner (see AIR CLEANER REMOVAL/INSTALLATION ).
  29. Turn the ignition switch to ON (II), and check that the N indicator comes on (A).
    Fig 12: Identifying N Indicator Position
    G08093238Courtesy of AMERICAN HONDA MOTOR CO., INC.
  30. If necessary, push the shift cable (A) until it stops, then release it. Pull the shift cable back two steps so that the shift position is in N. Do not hold the shift cable guide (B) to adjust the shift cable.
    Fig 13: Identifying Shift Cable And Guide
    G08093239Courtesy of AMERICAN HONDA MOTOR CO., INC.
  31. Turn the ignition switch to LOCK (0).
  32. Place the shift lever in N (A), then insert a 6 mm (0.24 in) pin (B) into the positioning holes (C) on the shift lever bracket base and into the positioning hole on the shift lever. Use only a 6.0 mm (0.24 in) pin that is free of burrs.
    Fig 14: Identifying Shift Lever And Pin
    G08093240Courtesy of AMERICAN HONDA MOTOR CO., INC.
  33. Check that the shift lever is secured in N.
  34. Rotate the socket holder (A) on the shift cable (B) to place the corner (C) on the holder opposite the opening (D) in the shift lever bracket base (E). Align the socket holder with the opening in the bracket, then slide the socket holder into the shift lever bracket base. Install the shift cable end (F) over the mounting stud (G) by aligning its square hole with the square fitting (H) at the bottom of the stud. Rotate the holder a quarter turn until the socket holder stops to secure the shift cable. Do not install the shift cable by holding the shift cable guide (I).
    Fig 15: Rotating Socket Holder On Shift Cable
    G08093241Courtesy of AMERICAN HONDA MOTOR CO., INC.
  35. Make sure the shift cable end (A) is properly installed on the mounting stud (B).
    • If the shift cable end is out of position with the mounting stud, remove the shift cable from the shift cable bracket, then reinstall the cable end over the mounting stud before reinstalling the shift cable to the shift cable bracket. Do not install the shift cable end on the mounting stud with the shift cable install on the shift cable bracket.
    • If the cable end does not ride at the bottom of the mounting stud, rotate the stud to align the square fitting with the hole.
      Fig 16: Identifying Proper And Improper Position Of Shift Cable End On Mounting Stud
      G08093242Courtesy of AMERICAN HONDA MOTOR CO., INC.
  36. Remove the 6 mm (0.24 in) pin (B) that was installed to hold the shift lever.
    Fig 17: Shift Cable End With Nut With Torque Specifications
    G08093243Courtesy of AMERICAN HONDA MOTOR CO., INC.
  37. Turn the ignition switch to ON (II). Move the shift lever to each position, and check that the A/T gear position indicator follows the transmission range switch.
  38. Shift the shift lever to P, and check that the shift lock works properly. Push the shift lock release, and check that the shift lever releases, and also check that the shift lever locks when it is shifted back into P.
  39. Install the center console (see CENTER CONSOLE REMOVAL/INSTALLATION ).