lemon-mirror:
Home >> Honda >> 2012 >> Odyssey EX >> Repair and Diagnosis >> Engine Mechanical >> Mechanical >> Engine Block >> Component Location Index

Component Location Index

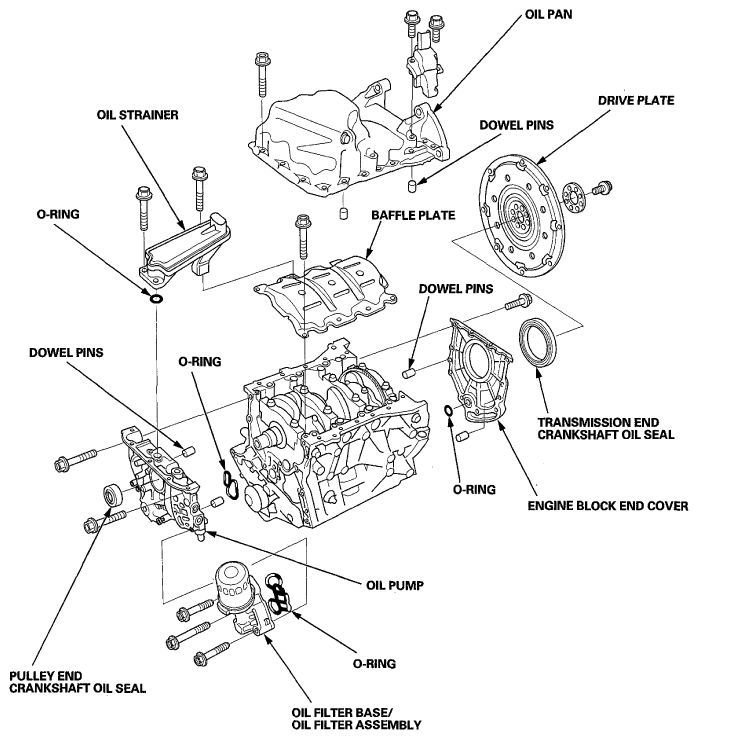
Fig 1: Identifying Engine Block Assembly Replacement Components (1 Of 3)
G06966425Courtesy of AMERICAN HONDA MOTOR CO., INC.
Fig 2: Identifying Engine Block Assembly Replacement Components (2 Of 3)
G06966426Courtesy of AMERICAN HONDA MOTOR CO., INC.
Fig 3: Identifying Engine Block Assembly Replacement Components (3 Of 3)
G06966427Courtesy of AMERICAN HONDA MOTOR CO., INC.