lemon-mirror:
Home >> Honda >> 2012 >> Ridgeline RT >> Repair and Diagnosis >> Engine Performance >> System >> Advanced Diagnostics >> DTC P2101: Electronic Throttle Control System (ETCS) Malfunction >> Notes

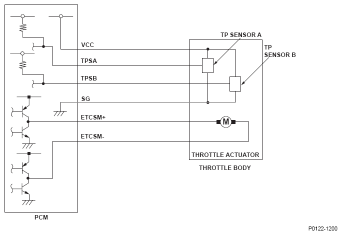
DTC P2101: Electronic Throttle Control System (ETCS) Malfunction: Notes

Fig 1: Electronic Throttle Control System (ETCS) Malfunction - Wiring Diagram
G08569344Courtesy of AMERICAN HONDA MOTOR CO., INC.