lemon-mirror:
Home >> Honda >> 2012 >> Ridgeline RT >> Repair and Diagnosis >> Engine Performance >> System >> Advanced Diagnostics >> DTC P2118: Throttle Actuator Current Range/Performance Problem >> Notes

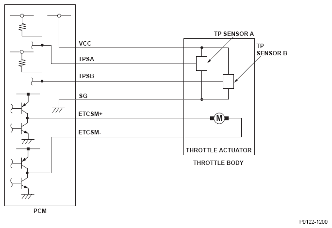
DTC P2118: Throttle Actuator Current Range/Performance Problem: Notes

Fig 1: Throttle Actuator Current Range/Performance Problem - Wiring Diagram
G08569345Courtesy of AMERICAN HONDA MOTOR CO., INC.