lemon-mirror:
Home >> Honda >> 2012 >> Ridgeline RT >> Repair and Diagnosis >> Transmission >> Automatic Trans >> Automatic Transmission >> System Description >> Electronic Control System >> PCM A/T Control System Electrical Connections

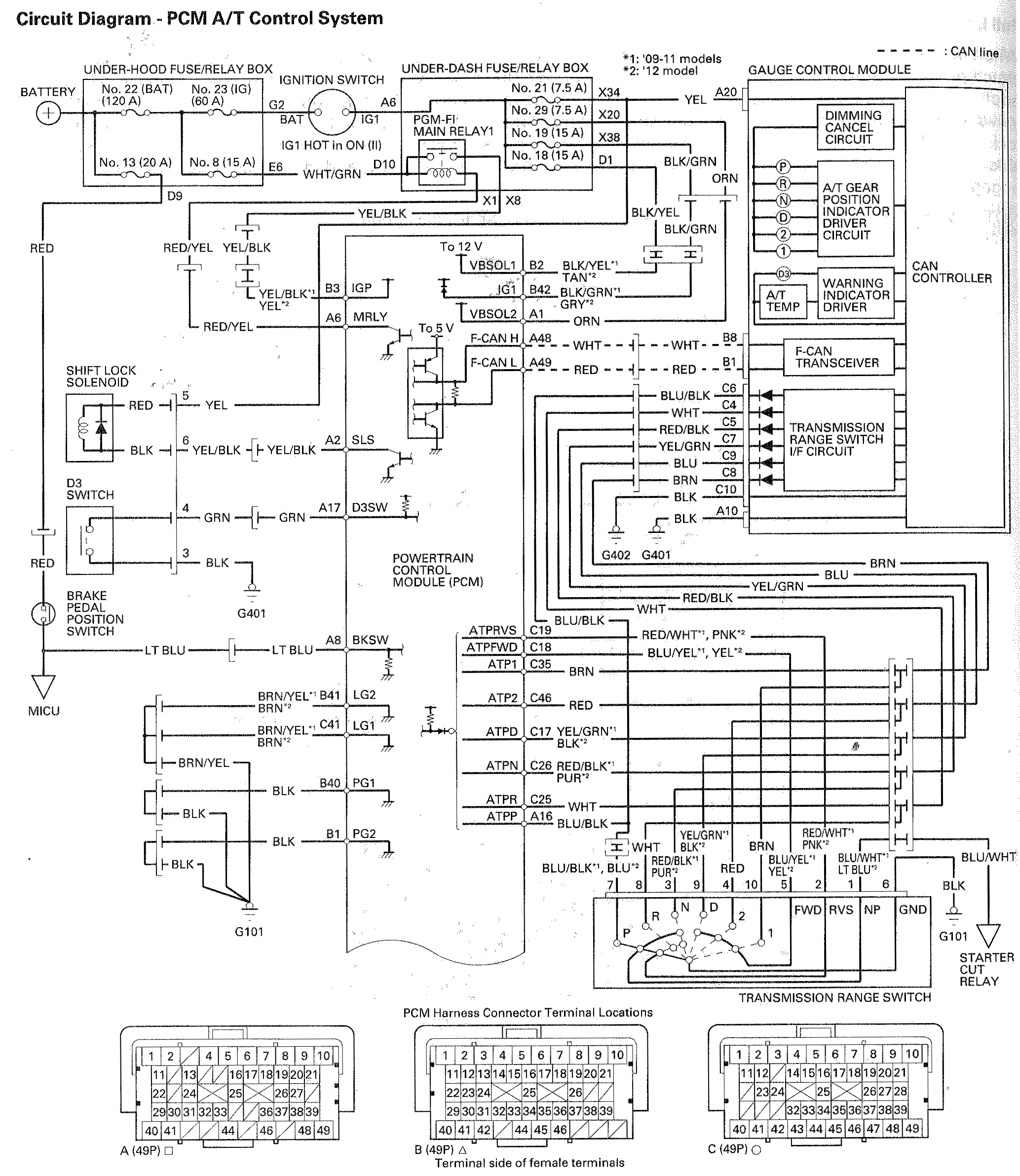
PCM A/T Control System Electrical Connections

Fig 1: PCM A/T Control System Electrical Connection
G06628612Courtesy of AMERICAN HONDA MOTOR CO., INC.