lemon-mirror:
Home >> Honda >> 2013 >> Ridgeline RTL >> Repair and Diagnosis >> Transmission >> Automatic Trans >> Automatic Transmission >> Automatic Transmission >> Transmission Reassembly >> Exploded View

Exploded View

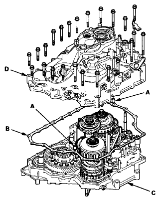
Fig 1: Exploded View Of Transmission Reassembly With Torque Specifications
G06629155Courtesy of AMERICAN HONDA MOTOR CO., INC.

Special Tools Required 

Mainshaft Holder Set 07PAB-0010001

  1. Make sure that the ATF magnet is cleaned and installed in the torque converter housing. Clean and install the ATF magnet, if necessary.
  2. Install the main separator plate and the two dowel pins on the torque converter housing. Then install the ATF pump drive gear (A), the driven gear (B), and the ATF pump driven gear shaft (C). Install the ATF pump driven gear with its grooved and chamfered side facing down.
    Fig 2: Identifying ATF Pump Drive Gear, Driven Gear And ATF Pump Driven Gear Shaft
    G06629156Courtesy of AMERICAN HONDA MOTOR CO., INC.
  3. Install the torque converter check valve spring and valve in the torque converter housing.
  4. Install the main valve body (seven 6 mm bolts and three 8 mm bolts). Make sure the ATF pump drive gear (A) rotates smoothly in the normal operating direction, and the ATF pump driven gear shaft (B) moves smoothly in the axial and normal operating direction.
    Fig 3: Checking ATF Pump Drive Gear And Driven Gear Shaft Movement
    G06629157Courtesy of AMERICAN HONDA MOTOR CO., INC.
  5. If the ATF pump drive gear and the ATF pump driven gear shaft do not move smoothly, loosen the main valve body bolts. Realign the ATF pump driven gear shaft, and retighten the bolts to the specified torques, then recheck. Failure to align the ATF pump driven gear shaft correctly will result in a seized ATF pump drive gear or ATF pump driven gear shaft.
  6. Install the lubrication check valve in the main valve body. Install the lubrication check valve in the direction shown in the exploded view.
  7. Install the secondary separator plate and the two dowel pins on the main valve body, and install the secondary valve body (one bolt).
  8. Install the two check balls in the secondary valve body.
  9. Install the accumulator separator plate and the two dowel pins on the secondary valve body.
  10. Position the detent arm on the accumulator separator plate, and install the detent arm shaft into the detent arm through the separator plates to the main valve body.
  11. Install the 8 x 62 mm ATF feed pipes in the main valve body, and install the accumulator body (11 bolts).
  12. Install the regulator separator plate and the two dowel pins on the main valve body.
  13. Install the stator shaft with a new O-ring, and install the regulator valve body (seven bolts).
  14. Install the stator shaft stop in the main valve body.
  15. Install the ATF strainer with a new O-ring (one bolt).
  16. Install the ATF passage pipe (one bolt) in the torque converter housing.
  17. Install the intermediary shaft (A) into the main valve body, and install the 26.5 mm washer (B) on the top of the intermediary shaft.
    Fig 4: Installing Intermediary Shaft Into Main Valve Body
    G06629158Courtesy of AMERICAN HONDA MOTOR CO., INC.
  18. Install the transfer output shaft (C) in the torque converter housing, and install the thrust shim (D) on the top of the transfer output shaft.
  19. Install the differential assembly (E) in the torque converter housing.
  20. Install the baffle plate (F), and make sure the differential is clear of the baffle plate.
  21. Install the baffle plate (G), and make sure the intermediary shaft is clear of the baffle plate.
  22. Install the selector control shaft and the park lever link (H).
  23. Assemble the mainshaft, the countershaft, and the secondary shaft.
  24. Install the thrust needle bearing (A) on the secondary shaft roller bearing in the torque converter housing.
    Fig 5: Position Of Installing Thrust Needle Bearing On Secondary Shaft Roller Bearing
    G06629159Courtesy of AMERICAN HONDA MOTOR CO., INC.
  25. Turn the shift fork shaft (B) so the large chamfered hole is facing the fork bolt hole of the shift fork.
  26. Engage the shift fork (C) with the reverse selector on the countershaft, and join the mainshaft (D), the countershaft (E), and the secondary shaft (F), then install them in the torque converter housing and the shift fork on the shift fork shaft.
  27. Secure the shift fork (A) to the shift fork shaft with the lock bolt and a new lock washer (B), then bend the lock tab of the lock washer against the bolt head.
    Fig 6: Identifying Shift Fork And Lock Washer
    G06629160Courtesy of AMERICAN HONDA MOTOR CO., INC.
  28. Install the park pawl shaft (A), the pawl spring (B), the park pawl (C), and the park pawl stop (D).
    Fig 7: Identifying Park Pawl Shaft, Pawl Spring, Park Pawl And Park Pawl Stop
    G06629161Courtesy of AMERICAN HONDA MOTOR CO., INC.
  29. Align the control lever pin (A) with the manual valve guide (B).
    Fig 8: Aligning Control Lever Pin With Manual Valve Guide
    G06629162Courtesy of AMERICAN HONDA MOTOR CO., INC.
  30. Hook the detent arm spring (A) to the detent arm (B).
    Fig 9: Hooking Detent Arm Spring To Detent Arm
    G06629163Courtesy of AMERICAN HONDA MOTOR CO., INC.
  31. Install the 8 x 85 mm ATF feed pipe (A), the 8 x 151.5 mm pipes (B), and the 8 x 40 mm pipe (C) in the accumulator body.
    Fig 10: Identifying ATF Feed Pipe, 8 x 151.5 mm Pipe And 8 x 40 mm Pipe
    G06629164Courtesy of AMERICAN HONDA MOTOR CO., INC.
  32. Install the 8 x 57.6 mm ATF feed pipe (A) and the 10 x 123 mm pipe (B) in the torque converter housing.
    Fig 11: Identifying 8 x 57.6 mm ATF Feed Pip And 10 x 123 mm Pipe
    G06629165Courtesy of AMERICAN HONDA MOTOR CO., INC.
  33. Install the two dowel pins (A) and a new gasket (B) on the torque converter housing (C).
    Fig 12: Identifying Dowel Pins And Gasket On Torque Converter Housing
    G06629166Courtesy of AMERICAN HONDA MOTOR CO., INC.
  34. Place the transmission housing (D) on the torque converter housing.
  35. Wrap the screwdriver tip with tape to prevent damage to the reverse idler gear teeth. Engage the reverse idler gear with reverse gears by rotating the idler gear using the screwdriver.
    Fig 13: Rotating Idler Gear Using Screwdriver
    G06629167Courtesy of AMERICAN HONDA MOTOR CO., INC.
  36. Use snap ring pliers to expand the snap ring of the countershaft bearing, then install the transmission housing onto the bearing part-way. Then release the snap ring pliers, and push down on the housing until it bottoms and the snap ring snaps into place in the transmission housing snap ring groove.
    Fig 14: Expanding Snap Ring Of Countershaft Bearing Using Snap Ring Plier
    G06629168Courtesy of AMERICAN HONDA MOTOR CO., INC.
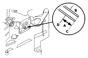
  37. Install the transmission housing mounting bolts (10 x 1.25 mm) (23 bolts) along with the transmission hanger (A) and the transmission ground terminal bracket (B).
    Fig 15: Transmission Hanger And Transmission Housing Mounting Bolts With Torque Specifications
    G06629169Courtesy of AMERICAN HONDA MOTOR CO., INC.
  38. Tighten the 21 bolts to 44 N.m (4.5 kgf.m, 33 lbf.ft) in two or more steps in crisscross pattern.
  39. Tighten the two bolts (C) to 39 N.m (4.0 kgf.m, 29 lbf.ft). Keep the bolts free of grease or oil.
  40. Install and tighten the 12 x 1.25 mm bolt (D) to 64 N.m (6.5 kgf.m, 47 lbf.ft).
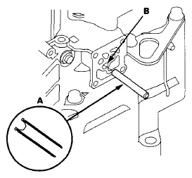
  41. Install the mainshaft holder onto the mainshaft.
    Fig 16: Installing Mainshaft Holder Onto Mainshaft
    G06629170Courtesy of AMERICAN HONDA MOTOR CO., INC.
  42. Install a new splined washer (A) with the marked side (B) up over the mainshaft (C), and apply the surface of the splined washer and the old locknut (D) with ATF.
    Fig 17: Position Of Installing Splined Washer Over Mainshaft
    G06629171Courtesy of AMERICAN HONDA MOTOR CO., INC.
  43. Install the old locknut, and tighten it to seat the lock washer to 178 N.m (18.2 kgf.m, 132 lbf.ft), then remove the old locknut.
  44. Install a new locknut and tighten it to 176 N.m (18.2 kgf.m, 132 lbf.ft), then stake the locknut into its shaft in depth (A) of 0.7-1.3 mm (0.03-0.05 in) using a 3.5 mm punch (B).
    Fig 18: Installing Locknut
    G06629172Courtesy of AMERICAN HONDA MOTOR CO., INC.
  45. Install the end cover (A), the dowel pins (B), and a new O-ring (C).
    Fig 19: End Cover, Dowel Pins And O-Ring With Torque Specifications
    G06629173Courtesy of AMERICAN HONDA MOTOR CO., INC.
  46. Install the snap ring cap (D) with a new O-ring (E).
  47. Apply thread lock sealant to the threads of the sealing plug (F), and install the sealing plug and a new sealing washer (G).
  48. Install a new O-ring (E) on the solenoid harness connector (F).
    Fig 20: O-Ring On Solenoid Harness Connector With Torque Specifications
    G06629174Courtesy of AMERICAN HONDA MOTOR CO., INC.
  49. Route the solenoid harness through the transmission housing, and install the solenoid harness connector.
  50. Connect the harness terminals to the solenoid:
    • YEL wire connector to shift solenoid valve A.
    • RED wire connector to shift solenoid valve B.
    • GRN wire connector to shift solenoid valve C.
    • ORN wire connector to shift solenoid valve D.
  51. Secure the solenoid harness connector with the bolt on the transmission housing.
  52. Install the solenoid valve cover (A) with the two dowel pins (B) and a new gasket (C), and secure it with the seven bolts.
    Fig 21: Solenoid Valve Cover, Dowel Pins And Gasket With Torque Specifications
    G06629175Courtesy of AMERICAN HONDA MOTOR CO., INC.
  53. Place a new gasket (C) on the solenoid valve cover, then install the 8 x 102.8 mm ATF feed pipe (D) and the 8 x 55.3 mm pipes (E) with the filter end in the transmission housing.
    Fig 22: Gasket, 8 x 102.8 mm ATF Feed Pipe And 8 x 55.3 mm Pipes With Torque Specifications
    G06629176Courtesy of AMERICAN HONDA MOTOR CO., INC.
  54. Install new O-rings (F) over the ATF feed pipes, and install A/T clutch pressure control solenoid valves A and B.
  55. Install the 8 x 53 mm ATF joint pipe (A) with the filter end into its mounting hole (B).
    Fig 23: Identifying 8 x 53 mm ATF Joint Pipe
    G06629177Courtesy of AMERICAN HONDA MOTOR CO., INC.
  56. Check the height (A) of the 8 x 53 mm ATF joint pipe (B) between the top (C) of the pipe and the solenoid valve body mounting surface (D). The height is about 7 mm (0.3 in) If the height is over 7 mm (0.3 in), push the pipe until it bottoms in the accumulator body.
    Fig 24: Identifying Height Of 8 x 53 mm ATF Joint Pipe Between Top Of Pipe And Solenoid Valve Body Mounting Surface
    G06629178Courtesy of AMERICAN HONDA MOTOR CO., INC.
  57. Install a new gasket (A) on the transmission housing, and install the 8 x 36 mm ATF joint pipe (B) with the filter end in the transmission housing and the 8 x 25.2 mm ATF pipe (D).
    Fig 25: Identifying Gasket, 8 x 36 mm ATF Joint Pipe And 8 x 25.2 mm ATF Pipe
    G06629179Courtesy of AMERICAN HONDA MOTOR CO., INC.
  58. Install new O-rings (E) over the ATF joint pipes.
  59. Install A/T clutch pressure control solenoid valve C.
  60. With a 6.0 mm wrench, turn the control shaft fully counterclockwise (view from shaft end) to P. Turn the control shaft back two click-stopped position so that the shift position is in N.
    Fig 26: Turning Control Shaft To N Position
    G06629180Courtesy of AMERICAN HONDA MOTOR CO., INC.
  61. Set the transmission range switch (A) to N. The transmission range switch clicks in N, and the selector control shaft hole (B) aligns with the N positioning line (C).
    Fig 27: Identifying Selector Control Shaft Hole And N Positioning Line
    G06629181Courtesy of AMERICAN HONDA MOTOR CO., INC.
  62. Install the transmission range switch gently over the selector control shaft (D), and install the bolts loosely.
  63. Install a new lock washer (A) over the selector control shaft (B) by aligning the indicator tab (C) of the lock washer with the N positioning line (D) on the transmission range switch (E), and install the locknut (F).
    Fig 28: Aligning Indicator Tab Of Lock Washer With N Positioning Line
    G06629182Courtesy of AMERICAN HONDA MOTOR CO., INC.
  64. Push the locknut (A) against the transmission housing to seat the transmission range switch into the selector control shaft (B), and tighten the locknut to 12 N.m (1.2 kgf.m, 8.7 lbf.ft) while holding the selector control shaft with a 6 mm wrench (C), then bend the lock tabs (D) against the locknut.
    Fig 29: Tightening Locknut With Torque Specifications
    G06629183Courtesy of AMERICAN HONDA MOTOR CO., INC.
  65. Tighten the transmission range switch mounting bolts (E) to 12 N.m (1.2 kgf.m, 8.7 lbf.ft).
  66. Install the control lever (A), the spring washer (B), a new lock washer (C), and the locknut (D) on the selector control shaft (E).
    Fig 30: Control Lever, Spring Washer, Lock Washer And Locknut With Torque Specifications
    G06629184Courtesy of AMERICAN HONDA MOTOR CO., INC.
  67. Install a new O-ring (A) on the input shaft (mainshaft) speed sensor (B), and install the input shaft (mainshaft) speed sensor.
    Fig 31: O-Ring On Input Shaft (Mainshaft) Speed Sensor With Torque Specifications
    G06629185Courtesy of AMERICAN HONDA MOTOR CO., INC.
  68. Install a new O-ring (C) on the output shaft (countershaft) speed sensor (D), and install the output shaft (countershaft) speed sensor and the sensor washer (E).
  69. Install the 4th clutch transmission fluid pressure switch (A) with a new sealing washer (B). Tighten the switch by gripping the metal part.
    Fig 32: 4th Clutch Transmission Fluid Pressure Switch And Sealing Washer With Torque Specifications
    G06629186Courtesy of AMERICAN HONDA MOTOR CO., INC.
  70. Install transmission fluid pressure switch B (3rd clutch) (A) with a new sealing washer (B). Tighten the switch by gripping the metal part, not the plastic part.
    Fig 33: Transmission Fluid Pressure Switch B (3rd Clutch), Sealing Washer, ATF Cooler Lines And Sealing Washers With Torque Specifications
    G06629187Courtesy of AMERICAN HONDA MOTOR CO., INC.
  71. Install the ATF cooler lines (C) with new sealing washers (D) and the line bolts (E).
  72. Install the connector bracket (F), and secure the ATF line with the 6.0 mm bolts (G) on the transmission housing. Tighten the bolt to 12 N.m (1.2 kgf.m, 8.7 lbf.ft).
  73. Install the ATF temperature sensor (H) with a new O-ring (I). Install the harness clamp (J) on the clamp bracket, and install the connector on the connector bracket.
  74. Install transmission fluid pressure switch A (2nd clutch) (A) with a new sealing washer (B). Tighten the switch by the metal part, not the plastic part.
    Fig 34: Transmission Fluid Pressure Switch A (2nd Clutch) And Sealing Washer With Torque Specifications
    G06629188Courtesy of AMERICAN HONDA MOTOR CO., INC.
  75. Install the ATF dipstick guide pipe (A) with a new O-ring (B).
    Fig 35: ATF Dipstick Guide Pipe And O-Ring With Torque Specifications
    G06629189Courtesy of AMERICAN HONDA MOTOR CO., INC.
  76. Install the ATF dipstick (C) in the guide pipe.