lemon-mirror:
Home >> Honda >> 2014 >> Pilot EX, 4WD >> Repair and Diagnosis >> Transmission >> Automatic Trans >> Automatic Transmission >> Automatic Transmission >> Transmission Reassembly >> Exploded View

Exploded View

NOTE: The illustration shows the 4WD transmission; the 2WD is similar.

Bolt Tightening Torque 

6 x 1.0 mm: 12 N.m (1.2 kgf.m, 8.7 lbf.ft) 

8 x 1.25 mm: 18 N.m (1.8 kgf.m, 13 lbf.ft) 

Fig 1: Exploded View Of Automatic Transmission
G08087616Courtesy of AMERICAN HONDA MOTOR CO., INC.

Special Tools Required 

NOTE:
  • Refer to the EXPLODED VIEW  as needed during the following procedure.
  • Apply a light coat of clean ATF on all tubes, O-rings, and moving parts before reassembly.
  1. Make sure that the ATF magnet is cleaned and installed in the torque converter housing. Clean and install the ATF magnet, if necessary.
  2. Install the main separator plate and the two dowel pins on the torque converter housing. Then install the ATF pump drive gear (A), the driven gear (B), and the ATF pump driven gear shaft (C). Install the ATF pump driven gear with its grooved and chamfered side facing down.
    Fig 2: Identifying ATF Pump Drive Gear, Driven Gear And ATF Pump Driven Gear Shaft
    G08087617Courtesy of AMERICAN HONDA MOTOR CO., INC.
  3. Install the torque converter check valve spring and the valve in the torque converter housing.
  4. Install the main valve body (seven 6 mm bolts and three 8 mm bolts). Make sure the ATF pump drive gear (A) rotates smoothly in the normal operating direction, and the ATF pump driven gear shaft (B) moves smoothly in the axial and normal operating direction.
    Fig 3: Rotating ATF Pump Drive Gear And ATF Pump Driven Gear Shaft
    G08087618Courtesy of AMERICAN HONDA MOTOR CO., INC.
  5. If the ATF pump drive gear and the ATF pump driven gear shaft do not move smoothly, loosen the main valve body bolts. Realign the ATF pump driven gear shaft, and retighten the bolts to the specified torques, then recheck. Failure to align the ATF pump driven gear shaft correctly will result in a seized ATF pump drive gear or ATF pump driven gear shaft.
  6. Install the lubrication check valve in the main valve body, in the direction shown in the exploded view.
  7. Install the secondary separator plate and the two dowel pins on the main valve body, and install the secondary valve body (one bolt).
  8. Install the two check balls in the secondary valve body.
  9. Install the accumulator separator plate and the two dowel pins on the secondary valve body.
  10. Position the detent arm on the accumulator separator plate, and install the detent arm shaft into the detent arm through the separator plates to the main valve body.
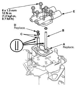
  11. Install the 8 x 62 mm ATF feed pipe in the main valve body, and install the accumulator body (11 bolts).
  12. Install the regulator separator plate and the two dowel pins on the main valve body.
  13. Install the stator shaft with a new O-ring, and install the regulator valve body (seven bolts).
  14. Install the stator shaft stop in the main valve body.
  15. Install the ATF strainer with a new O-ring (one bolt).
  16. Install the ATF passage pipe (one bolt) in the torque converter housing.
  17. Install the intermediary shaft (A) into the main valve body, and install the 26.5 mm washer (B) on the top of the intermediary shaft.
    Fig 4: Intermediary Shaft Assembly Replacement Components With Torque Specifications
    G08087619Courtesy of AMERICAN HONDA MOTOR CO., INC.
  18. 4WD: Install the transfer output shaft (C) in the torque converter housing, and install the thrust shim (D) on the top of the transfer output shaft.
  19. Install the differential assembly (E) in the torque converter housing.
  20. Install the oil catch plate (F), and make sure if the differential is clear of the oil catch plate.
  21. Install the baffle plate (G), and make sure if the intermediary shaft is clear of the baffle plate.
  22. Install the selector control shaft and the park lever link (H).
  23. Assemble the mainshaft, the countershaft, and the secondary shaft.
  24. Install the thrust needle bearing (A) of the secondary shaft bearing of the torque converter housing in the direction shown.
    Fig 5: Identifying Thrust Needle Bearing, Shift Fork Shaft And Shift Fork
    G08087620Courtesy of AMERICAN HONDA MOTOR CO., INC.
  25. Turn the shift fork shaft (B) so the large chamfered hole is facing the fork bolt hole of the shift fork.
  26. Engage the shift fork (C) with the reverse selector on the countershaft (D), and join the mainshaft (E), the countershaft, and the secondary shaft (F), then install them in the torque converter housing while engaging the shift fork on the shift fork shaft.
  27. Secure the shift fork (A) to the shift fork shaft with the lock bolt and a new lock washer (B), then bend the lock tab of the lock washer against the bolt head.
    Fig 6: Shift Fork And Lock Washer With Torque Specifications
    G08087621Courtesy of AMERICAN HONDA MOTOR CO., INC.
  28. Install the park pawl shaft (A), the pawl spring (B), the park pawl (C), and the park pawl stop (D).
    Fig 7: Identifying Park Pawl Shaft, Pawl Spring, Park Pawl And Park Pawl Stop
    G08087622Courtesy of AMERICAN HONDA MOTOR CO., INC.
  29. Align the control lever pin (A) with the manual valve guide (B).
    Fig 8: Aligning Control Lever Pin With Manual Valve Guide
    G08087623Courtesy of AMERICAN HONDA MOTOR CO., INC.
  30. Hook the detent spring (A) to the detent arm (B).
    Fig 9: Identifying Detent Spring And Detent Arm
    G08087624Courtesy of AMERICAN HONDA MOTOR CO., INC.
  31. Install the 8 x 85 mm ATF feed pipe (A), the 8x 151.5 mm pipes (B), and the 8 x 40 mm pipe (C) in the accumulator body.
    Fig 10: Identifying ATF Feed Pipe
    G08087625Courtesy of AMERICAN HONDA MOTOR CO., INC.
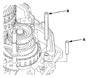
  32. Install the 8 x 57.5 mm ATF feed pipe (A) and the 10 x 123 mm pipe (B) in the torque converter housing.
    Fig 11: Identifying ATF Feed Pipe
    G08087626Courtesy of AMERICAN HONDA MOTOR CO., INC.
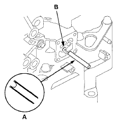
  33. Install the two dowel pins (A) and a new gasket (B) on the torque converter housing (C).
    Fig 12: Identifying Dowel Pins, Gasket And Torque Converter Housing
    G08087627Courtesy of AMERICAN HONDA MOTOR CO., INC.
  34. Place the transmission housing (D) on the torque converter housing.
  35. Wrap a screwdriver tip with tape to prevent damage to the reverse idler gear teeth. Engage the reverse idler gear with the reverse gears by rotating the idler gear using a screwdriver.
    Fig 13: Rotating Idler Gear Using Screwdriver
    G08087628Courtesy of AMERICAN HONDA MOTOR CO., INC.
  36. While expanding the snap ring of the countershaft bearing using snap rings pliers, install the transmission housing onto the bearing part-way. Then release snap ring pliers, and push down on the transmission housing until it bottoms and snap ring snaps into place in the transmission housing snap ring groove.
    Fig 14: Expanding Snap Ring Of Countershaft Bearing Using Snap Rings Pliers
    G08087629Courtesy of AMERICAN HONDA MOTOR CO., INC.
  37. Install the transmission housing mounting bolts (4WD: 24 bolts, 2WD: 23 bolts) and the bolt (A) along with the transmission hanger (B), and tighten the bolts in at least two in a criss-cross pattern to 44 N.m (4.5 kgf.m, 33 lbf.ft).
    Fig 15: Bolt, Transmission Hanger And Mounting Bolts With Torque Specifications
    G08087630Courtesy of AMERICAN HONDA MOTOR CO., INC.
  38. Install and tighten the two mounting bolts (C) to 39 N.m (4.0 kgf.m, 29 lbf.ft). Keep the mounting bolts free of grease or oil.
  39. Install and tighten the 12 x 1.25 bolt (D) to 64 N.m (6.5 kgf.m, 47 lbf.ft).
  40. Install the mainshaft holder onto the mainshaft.
    Fig 16: Identifying Mainshaft Holder And Mainshaft
    G08087631Courtesy of AMERICAN HONDA MOTOR CO., INC.
  41. Install a new lock washer (A) with the marked side (B) up over the mainshaft (C), and apply ATF to surfaces of the lock washer and the old locknut (D).
    Fig 17: Identifying Lock Washer, Marked Side, Mainshaft And Locknut
    G08087632Courtesy of AMERICAN HONDA MOTOR CO., INC.
  42. Install the old locknut, and tighten it to seat the lock washer to 178 N.m (18.2 kgf.m, 132 lbf.ft), then remove the old locknut.
  43. Install a new locknut and tighten it to 178 N.m (18.2 kgf.m, 132 lbf.ft), then stake the locknut to a depth (A) of 0.7-1.3 mm (0.03-0.05 in) using a 3.5 mm punch (B).
    Fig 18: Installing Locknut Using Hammer And Tool
    G08087633Courtesy of AMERICAN HONDA MOTOR CO., INC.
  44. Install the end cover (A) with a new O-ring (B) and the dowel pins (C).
    Fig 19: End Cover, O-Ring, Dowel Pins And Snap Ring Cap With Torque Specifications
    G08087634Courtesy of AMERICAN HONDA MOTOR CO., INC.
  45. Install the snap ring cap (D) with a new O-ring (E).
  46. Apply thread lock sealant to the threads of the sealing plug (F), and install the sealing plug with a new sealing washer (G).
  47. Install a new O-ring (E) on the shift solenoid wire harness (F).
    Fig 20: O-Ring And Shift Solenoid Wire Harness With Torque Specifications
    G08087635Courtesy of AMERICAN HONDA MOTOR CO., INC.
  48. Route the shift solenoid wire harness through the transmission housing, and install the shift solenoid wire harness.
  49. Connect the shift solenoid valve connectors to the shift solenoid valves:
    • YEL wire connector to shift solenoid valve A.
    • RED wire connector to shift solenoid valve B.
    • GRN wire connector to shift solenoid valve C.
    • ORN wire connector to shift solenoid valve D.
  50. Secure the shift solenoid wire harness with the bolt on the transmission housing.
  51. Install the shift solenoid valve cover (A) with the two dowel pins (B) and a new gasket (C), and secure it with the seven bolts.
    Fig 21: Shift Solenoid Valve Cover, Dowel Pins And Gasket With Torque Specifications
    G08087636Courtesy of AMERICAN HONDA MOTOR CO., INC.
  52. Clean the mounting surface and the fluid passage of the A/T clutch pressure control solenoid valve body and the shift solenoid valve cover.
  53. Place a new gasket (A) on the shift solenoid valve cover, then install the 8 x 102.8 mm ATF feed pipe (B) and the 8 x 55.3 mm pipes (C) with the filter end in the transmission housing.
    Fig 22: Gasket, ATF Feed Pipe, O-Rings And A/T Clutch Pressure Control Solenoid Valves With Torque Specifications
    G08087637Courtesy of AMERICAN HONDA MOTOR CO., INC.
  54. Install new O-rings (D) over the ATF feed pipes, and install the A/T clutch pressure control solenoid valves A and B (E).
  55. Install the 8 x 53 mm ATF feed pipe (A) with the filter end into its mounting hole (B).
    Fig 23: Identifying ATF Feed Pipe And Mounting Hole
    G08087638Courtesy of AMERICAN HONDA MOTOR CO., INC.
  56. Check the height (A) of the 8 x 53 mm ATF feed pipe (B) between the top (C) of the pipe and the solenoid valve body mounting surface (D). The height is about 7 mm (0.3 in). If the height is over 7 mm (0.3 in), install the pipe securely until it stops the accumulator body.
    Fig 24: Identifying Height Of ATF Feed Pipe
    G08087639Courtesy of AMERICAN HONDA MOTOR CO., INC.
  57. Install a new gasket (A) on the transmission housing. Install the 8 x 36 mm ATF feed pipe (B) with the filter end in the transmission housing, and install the 8 x 25.2 mm ATF joint pipe (D).
    Fig 25: Gasket, ATF Feed Pipe, ATF Joint Pipe And O-Rings With Torque Specifications
    G08087640Courtesy of AMERICAN HONDA MOTOR CO., INC.
  58. Install new O-rings (E) over the ATF feed pipes.
  59. Install A/T clutch pressure control solenoid valve C.
  60. With a 6 mm wrench, turn the selector control shaft fully counterclockwise (viewed from the shaft end) to the P position. Turn the selector control shaft clockwise two clicks to the N position.
    Fig 26: Turning Selector Control Shaft Fully Counterclockwise
    G08087641Courtesy of AMERICAN HONDA MOTOR CO., INC.
  61. Set the transmission range switch (A) to the N position, by turning the selector control shaft hub (B) of the switch until it aligns with N position line (C).
    Fig 27: Transmission Range Switch, Selector Control Shaft Hub And N Position Line
    G08087642Courtesy of AMERICAN HONDA MOTOR CO., INC.
  62. Install the transmission range switch gently over the selector control shaft (D), and install the bolts loosely.
  63. Install a new lock washer (A) over the selector control shaft (B) by aligning the tab (C) of the lock washer with the N positioning line (D) on the transmission range switch (E). Then install the locknut (F).
    Fig 28: Identifying Lock Washer, Selector Control Shaft, Tab, N Positioning Line And Transmission Range Switch
    G08087643Courtesy of AMERICAN HONDA MOTOR CO., INC.
  64. Push the locknut against the transmission housing to seat the transmission range switch into the selector control shaft, and tighten the locknut (A) to 18 N.m (1.8 kgf.m, 13 lbf.ft) while holding the selector control shaft (B) with a 6 mm wrench (C), then bend the lock tabs (D) against the locknut.
    Fig 29: Locknut, Selector Control Shaft, Wrench And Lock Tabs With Torque Specifications
    G08087644Courtesy of AMERICAN HONDA MOTOR CO., INC.
  65. Tighten the bolts (E) securing the transmission range switch to 12 N.m (1.2 kgf.m, 8.7 lbf.ft).
  66. Install the selector control lever (A), the spring washer (B), a new lock washer (C), and the locknut (D) on the selector control shaft (E). Bend the lock tab of the lock washer against the locknut.
    Fig 30: Selector Control Lever, Spring Washer, Lock Washer Locknut, Selector Control Shaft With Torque Specifications
    G08087645Courtesy of AMERICAN HONDA MOTOR CO., INC.
  67. Install a new O-ring (A) on the input shaft (mainshaft) speed sensor (B), then install the input shaft (mainshaft) speed sensor.
    Fig 31: O-Ring, Input Shaft (Mainshaft) Speed Sensor, O-Ring And Output Shaft (Countershaft) Speed Sensor With Torque Specifications
    G08087646Courtesy of AMERICAN HONDA MOTOR CO., INC.
  68. Install a new O-ring (C) on the output shaft (countershaft) speed sensor (D), then install the output shaft (countershaft) speed sensor with the sensor washer (E).
    NOTE: Make sure you install the sensor washer. If you do not, the vehicle may not start.
  69. Install the transmission fluid pressure switch C (4th clutch) (A) with a new sealing washer (B), and tighten the switch.
    Fig 32: Transmission Fluid Pressure Switch And Sealing Washer With Torque Specifications
    G08087647Courtesy of AMERICAN HONDA MOTOR CO., INC.
  70. Install the transmission fluid pressure switch B (3rd clutch) with a new sealing washer (A), and tighten the switch.
    Fig 33: Sealing Washer, ATF Cooler Lines, Connector Bracket And Bolts And Connector Bracket With Torque Specifications
    G08087648Courtesy of AMERICAN HONDA MOTOR CO., INC.
  71. Install the ATF cooler lines (C) with new sealing washers (D) and the line bolts (E).
  72. Install the connector bracket (F), and secure the ATF cooler lines with the 6.0 mm bolts (G) on the transmission housing.
  73. Install the ATF temperature sensor (H) with a new O-ring (I). Install the connector on the connector bracket, and install the harness clamp on the clamp bracket.
  74. Install the transmission fluid pressure switch A (2nd clutch) with a new sealing washer (B), and tighten the switch.
    Fig 34: Transmission Fluid Pressure Switch (2nd Clutch) With Sealing Washer With Torque Specifications
    G08087649Courtesy of AMERICAN HONDA MOTOR CO., INC.
  75. Install the ATF dipstick guide tube (A) with a new O-ring (B).
    Fig 35: ATF Dipstick Guide Tube And O-Ring With Torque Specifications
    G08087650Courtesy of AMERICAN HONDA MOTOR CO., INC.
  76. Install the ATF dipstick (C) in its guide tube.
  77. Install the transmission ground terminal bracket (D).