lemon-mirror:
Home >> Honda >> 2014 >> Pilot EX, FWD >> Repair and Diagnosis >> Engine Mechanical >> Mechanical >> Engine Assembly >> Engine Removal

Engine Removal

Special Tools Required 

*: Available through the Honda Tool and Equipment Program, 888-424-6857.

NOTE:
  • Use fender covers to avoid damaging painted surfaces.
  • To avoid damaging the wiring and terminals, unplug the wiring connectors carefully while holding the connector portion.
  • Mark all wiring and hoses to avoid misconnection. Also, be sure that they do not contact other wiring or hoses, or interfere with other parts.
  1. Open the hood, and secure it with the hood support rod (A) in the wide-open position (B).
    Fig 1: Identifying Hood Support Rod And Wide-Open Position
    G08078536Courtesy of AMERICAN HONDA MOTOR CO., INC.
  2. Relieve the fuel pressure (see FUEL PRESSURE RELIEVING ).
  3. Drain the power steering fluid (see FLUID CHECK/REPLACEMENT ).
  4. Remove the bulkhead cover (see FRONT BULKHEAD COVER REPLACEMENT ).
  5. Do the battery removal procedure (see RECONNECTION ).
  6. Remove the engine cover (see step 1 under REMOVAL ).
  7. Disconnect the breather pipe (A), then remove the intake air duct (B).
    Fig 2: Identifying Breather Pipe And Intake Air Duct
    G08078537Courtesy of AMERICAN HONDA MOTOR CO., INC.
  8. Remove the air cleaner (see THROTTLE BODY CLEANING ).
  9. Remove the harness clamps (A), and the auxiliary under-hood fuse/relay box (B), then remove the battery base (C).
    Fig 3: Identifying Harness Clamps, Auxiliary Under-Hood Fuse/Relay Box And Battery Base
    G08078538Courtesy of AMERICAN HONDA MOTOR CO., INC.
  10. Remove the harness clamps (A), then disconnect the positive starter cable (B).
    Fig 4: Identifying Harness Clamps And Positive Starter Cable
    G08078539Courtesy of AMERICAN HONDA MOTOR CO., INC.
  11. Disconnect the starter subharness connector.
    Fig 5: Identifying Starter Subharness Connector
    G08078540Courtesy of AMERICAN HONDA MOTOR CO., INC.
  12. Remove the shift cable (see SHIFT CABLE REPLACEMENT ). Do not bend the shift cable excessively.
  13. Remove the quick-connect fitting cover (A), then disconnect the fuel feed hose (B) (see FUEL LINE/QUICK-CONNECT FITTING REMOVAL ).
    Fig 6: Identifying Quick-Connect Fitting Cover And Fuel Feed Hose
    G08078541Courtesy of AMERICAN HONDA MOTOR CO., INC.
  14. Disconnect the brake booster vacuum hose (A), and the EVAP canister hose (B).
    Fig 7: Identifying Brake Booster Vacuum Hose And EVAP Canister Hose
    G08078542Courtesy of AMERICAN HONDA MOTOR CO., INC.
  15. Remove the steering joint cover, then disconnect the steering joint from the steering gearbox pinion shaft (see step 12 under STEERING GEARBOX REMOVAL ).
    NOTE:
    • Hold the steering wheel in the steering wheel holder tool.
    • Hold the lower slide shaft on the column with a piece of wire between the joint yokes.
  16. Remove the harness clamps (A), then disconnect the positive alternator cable (B) from the under-hood fuse/relay box.
    Fig 8: Identifying Harness Clamps And Positive Alternator Cable
    G08078543Courtesy of AMERICAN HONDA MOTOR CO., INC.
  17. Remove the PCM cover (A).
    Fig 9: Identifying PCM Cover
    G08078544Courtesy of AMERICAN HONDA MOTOR CO., INC.
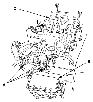
  18. Remove the harness clamps (A), then disconnect the two PCM connectors (B) and the engine wire harness connector (C).
    Fig 10: Identifying Harness Clamps, PCM Connectors And Engine Wire Harness Connector
    G08078545Courtesy of AMERICAN HONDA MOTOR CO., INC.
  19. Remove the drive belt (see DRIVE BELT REPLACEMENT ).
  20. Disconnect the power steering pump inlet hose (A) and the power steering pump outlet hose (B) from the power steering pump, then plug the power steering hoses and the power steering pump.
    Fig 11: Identifying Power Steering Pump Inlet Hose And Power Steering Pump Outlet Hose
    G08078546Courtesy of AMERICAN HONDA MOTOR CO., INC.
  21. Remove the power steering hose bracket (C) from the rear cylinder head cover.
  22. Wait until the engine is cool, then carefully remove the radiator cap.
  23. Disconnect the front secondary HO2S connector, and remove the harness clamps (see SECONDARY HO2S REPLACEMENT ).
  24. Raise the vehicle on the lift.
  25. Remove the front wheels.
  26. Remove the splash shield (see SPLASH SHIELD REPLACEMENT ).
  27. Loosen the drain plug in the radiator, and drain the engine coolant (see COOLANT CHECK ).
  28. Drain the ATF (see ATF REPLACEMENT ).
  29. Drain the engine oil (see ENGINE OIL LEVEL CHECK ).
  30. Remove the front subframe stiffener.
    Fig 12: Identifying Front Subframe Stiffener
    G08078547Courtesy of AMERICAN HONDA MOTOR CO., INC.
  31. Remove exhaust pipe A.
    Fig 13: Identifying Exhaust Pipe
    G08078548Courtesy of AMERICAN HONDA MOTOR CO., INC.
  32. Separate the tie-rod end ball joints from the knuckles (see step 3 under KNUCKLE REPLACEMENT ).
  33. Separate the stabilizer links from the dampers (see STABILIZER LINK REMOVAL/INSTALLATION ).
  34. Separate the lower arms from the knuckles (see step 3 under REMOVAL/INSTALLATION ).
  35. Remove the driveshafts (see DRIVESHAFT INSPECTION ). Coat all precision-finished surfaces with new engine oil. Tie plastic bags over the driveshaft ends.
  36. 4WD model: Remove the transfer assembly (see TRANSFER ASSEMBLY REMOVAL ).
  37. Disconnect the power steering hose (A) and the ATF cooler hoses (B), then plug the lines and the hoses.
    Fig 14: Identifying Power Steering Hose And ATF Cooler Hoses
    G08078549Courtesy of AMERICAN HONDA MOTOR CO., INC.
  38. Disconnect the PSP switch connector.
    Fig 15: Identifying PSP Switch Connector
    G08078550Courtesy of AMERICAN HONDA MOTOR CO., INC.
  39. Lower the vehicle on the lift.
  40. Remove the radiator (see RADIATOR AND FAN REPLACEMENT ).
  41. Disconnect the heater hoses (A).
    Fig 16: Identifying Heater Hoses
    G08078551Courtesy of AMERICAN HONDA MOTOR CO., INC.
  42. Remove the connector bracket (A) from the front cylinder head; use the bracket bolt hole to attach the engine hanger balance bar front arm.
    Fig 17: Identifying Front Cylinder Head Connector Bracket
    G08078552Courtesy of AMERICAN HONDA MOTOR CO., INC.
  43. Remove the harness clamp bracket (A) from the rear cylinder head; use the bracket bolt hole to attach the 2008 V6 attachment arm (SIL02C000033).
    Fig 18: Identifying Harness Clamp Bracket
    G08078553Courtesy of AMERICAN HONDA MOTOR CO., INC.
  44. Remove the cowl top side cover (A) from both sides.
    Fig 19: Removing Cowl Top Side Cover From Both Sides
    G08078554Courtesy of AMERICAN HONDA MOTOR CO., INC.
  45. With the engine support hanger (AAR-T1256) on its side, insert the hanger beam (B) through the opening, then rotate it over the damper (C).
  46. Install the engine hanger balance bar (VSB02C000019). Attach the front arm (A) to the front cylinder head with several spacers (B) and a 10 x 1.25 mm bolt (C). Remove the rear arm from the engine hanger balance bar, then install the 2008 V6 attachment arm (SIL02C000033). Attach the 2008 V6 attachment arm to the rear cylinder head with an 8 x 1.25 mm bolt (D).
    Fig 20: Identifying Front Arm, Spacers, Rear Arm And Rear Cylinder Head Bolt
    G08078555Courtesy of AMERICAN HONDA MOTOR CO., INC.
  47. Install the engine support hanger (AAR-T1256) onto the vehicle as shown, and attach the hook to the slotted hole in the engine hanger balance bar. Tighten the wing nut (E) by hand, and lift and support the engine/transmission.
    NOTE:
    • Be careful when working around the windshield.
    • Be careful not to damage the hood opener cable when installing the engine support hanger at the front bulkhead.
    • AAR-T1256 two sets required for stacking two cross section bars.
  48. Disconnect the front engine mount actuator connector (A) and the harness clamps (B).
    Fig 21: Identifying Front Engine Mount Actuator Connector And Harness Clamps
    G08078556Courtesy of AMERICAN HONDA MOTOR CO., INC.
  49. Remove the front engine mount stop (C), then remove the front engine mount bolt (D).
  50. Raise the vehicle on the lift.
  51. Disconnect the A/C compressor clutch connector (A), then remove the A/C compressor (B) without disconnecting the A/C hoses. Do not bend the A/C hoses excessively.
    NOTE: Hang the A/C compressor with a wire tie.
    Fig 22: Identifying A/C Compressor Clutch Connector And A/C Compressor
    G08078557Courtesy of AMERICAN HONDA MOTOR CO., INC.
  52. Remove the lower transmission mount mounting bolts (A) and the ground cable (B).
    Fig 23: Identifying Lower Transmission Mount Mounting Bolts And Ground Cable
    G08078558Courtesy of AMERICAN HONDA MOTOR CO., INC.
  53. Remove the rear engine mount base mounting bolts (A) and disconnect the rear engine mount actuator connector (B).
    Fig 24: Identifying Rear Engine Mount Base Mounting Bolts And Rear Engine Mount Actuator Connector
    G08078559Courtesy of AMERICAN HONDA MOTOR CO., INC.
  54. Attach the subframe adapter (VSB02C000016) to the front subframe by looping the belt (A) over the front of the front subframe (B), then secure the belt with its stop (C).
    Fig 25: Identifying Bolt And Front Subframe
    G08078560Courtesy of AMERICAN HONDA MOTOR CO., INC.
  55. Raise the transmission jack and line up the slots in the subframe adapter arms with the bolt holes on the jack base, then securely attach them with four bolts.
  56. Remove the six 12 x 1.25 mm bolts (A) securing the subframe stiffeners (B), the four subframe mounting bolts (C), and the stiffeners, then lower the front subframe (D).
    Fig 26: Identifying Subframe Stiffeners Bolts, Subframe Stiffeners And Subframe Mounting Bolts
    G08078561Courtesy of AMERICAN HONDA MOTOR CO., INC.
  57. Lower the vehicle on the lift.
  58. Attach a chain hoist (A) to the engine hanger (B) and the transmission hanger (C), then lift the engine/transmission until it is securely supported by the chain hoist and remove the engine support hanger, the engine hanger balance bar, and the engine hanger adapter set.
    Fig 27: Identifying Chain Hoist, Engine Hanger And Transmission Hanger
    G08078562Courtesy of AMERICAN HONDA MOTOR CO., INC.
  59. Remove the mounting bolts from the upper half of the side engine mount bracket.
    Fig 28: Identifying Side Engine Mount Bracket Mounting Bolts
    G08078563Courtesy of AMERICAN HONDA MOTOR CO., INC.
  60. Check that the engine/transmission is completely free of the vacuum hoses, the fuel hoses, the coolant hoses, and the electrical wiring.
  61. Slowly lower the engine/transmission about 150 mm (6 in). Check once again that all the hoses and the electrical wiring are disconnected and free from the engine/transmission, then lower it all the way and support it.
  62. Disconnect the chain hoist from the engine/transmission.
  63. Raise the vehicle, and remove the engine/transmission from under the vehicle.