lemon-mirror:
Home >> Honda >> 2014 >> Pilot EX, FWD >> Repair and Diagnosis >> Engine Performance >> System >> Advanced Diagnostics >> DTC P0685: Powertrain Control Module (PCM) Power Control Circuit/Internal Circuit Malfunction >> Notes

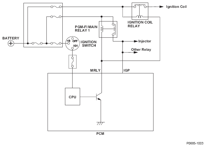
DTC P0685: Powertrain Control Module (PCM) Power Control Circuit/Internal Circuit Malfunction: Notes

Fig 1: Powertrain Control Module And Ignition Coil Relay - Circuit Diagram
G08568861Courtesy of AMERICAN HONDA MOTOR CO., INC.