lemon-mirror:
Home >> Honda >> 2021 >> Insight EX >> Repair and Diagnosis >> Engine Performance >> System >> Engine Control System - Advanced Diagnostics (1 Of 2) >> Advanced Diagnostics >> DTC P0221 >> General Description

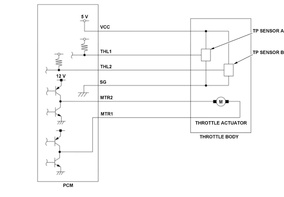
DTC P0221: General Description

GHH384472Courtesy of HONDA, U.S.A., INC.

The electronic throttle control system controls the throttle valve opening. The system includes the throttle actuator, the throttle valve, throttle position (TP) sensors A and B, the PGM-FI subrelay circuit, the accelerator pedal position (APP) sensor, and the powertrain control module (PCM). TP sensor B is a semiconductor type, and it is attached to the throttle body and shaft to determine throttle valve position. The throttle valve position signal from TP sensor B is transmitted to the PCM for target position feedback control. If the signal from the TP sensor B remains at the specified value or lower for the set time or longer, a PCM failure is judged and the DTC is stored.