lemon-mirror:
Home >> Hummer >> 2003 >> H2 >> Repair and Diagnosis >> External Pages >> Different car >> Section 279 (HVAC System) >> Control System >> Magnetic Clutch Disassembly/Assembly >> Notes

Magnetic Clutch Disassembly/Assembly: Notes

WARNING: This page is about a different car, the 2004 Mazda 3. However, it is still accessible from the selected car via links, so may be relevant.
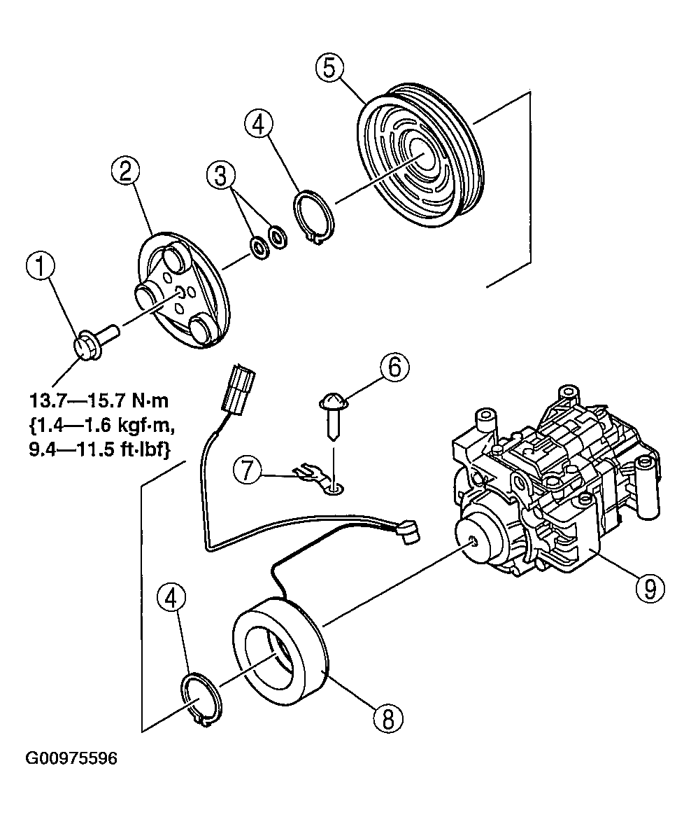
  1. Disassemble in the order indicated in the figure.
    Fig 1: Magnetic Clutch Disassembling Sequence
    G00975595Courtesy of MAZDA MOTORS CORP.
  2. Assemble in the reverse order of disassembly.
  3. Adjust the magnetic clutch clearance. MAGNETIC CLUTCH ADJUSTMENT .
    Fig 2: Magnetic Clutch With Torque Specifications
    G00975596Courtesy of MAZDA MOTORS CORP.