lemon-mirror:
Home >> Hummer >> 2003 >> H2 >> Repair and Diagnosis >> External Pages >> Different car >> Section 434 (Engine Cooling System) >> Repair Instructions >> Coolant Tank - Starter/Generator Control Module Replacement >> Installation Procedure

Installation Procedure

WARNING: This page is about a different car, the 2004 GMC Sierra, 2004 GMC Cab & Chassis Sierra, 2004 Chevrolet Silverado, and 2004 Chevrolet Cab & Chassis Silverado. However, it is still accessible from the selected car via links, so may be relevant.
  1. Install the SGCM coolant tank (2) to the vehicle.
  2. Position the SGCM coolant tank in order to install the SGCM rear bolt.
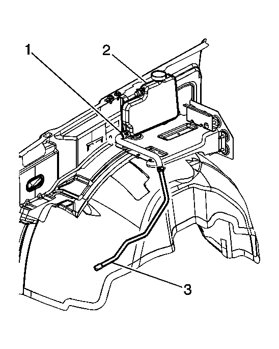
    Fig 1: View Of SGCM Coolant Inlet Hose, Coolant Tank & Inlet Hose Clamp
    GM1206674Courtesy of GENERAL MOTORS CORP.
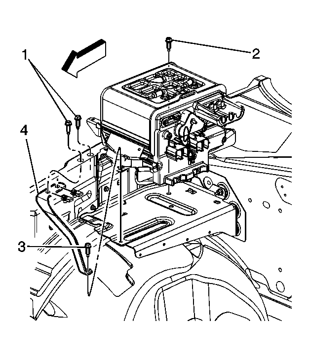
  3. Fig 2: View Of SGCM, Brace & Bolts
    GM1237056Courtesy of GENERAL MOTORS CORP.
    NOTE: Refer to Fastener Notice in Cautions and Notices.
  4. Install the rear bolt (2) to the SGCM.

    Tighten:  Tighten the bolt to 20 N.m (15 lb ft).

  5. Install the front bolt (3) to the SGCM.

    Tighten:  Tighten the bolt to 20 N.m (15 lb ft).

  6. Install the bolts to the SGCM coolant tank.

    Tighten:  Tighten the bolts to 9 N.m (80 lb in).

  7. Install the SGCM coolant pump inlet hose (3) to the SGCM coolant tank (2).
  8. Position the SGCM coolant pump inlet hose clamp (1) to the SGCM coolant tank (2).
  9. Fig 3: View Of SGCM Coolant Inlet Hose, Coolant Tank & Inlet Hose Clamp
    GM1206674Courtesy of GENERAL MOTORS CORP.
  10. Install the bolts (1) to the brace.

    Tighten:  Tighten the bolts to 25 N.m (18 lb ft).

  11. Install the surge tank.
  12. Fig 4: View Of SGCM, Brace & Bolts
    GM1237056Courtesy of GENERAL MOTORS CORP.
  13. Install the SGCM pressure relief hose to the SGCM pressure relief valve.
  14. Position the SGCM pressure relief hose clamp to the SGCM pressure relief valve.
  15. Fig 5: View Of SGCM Pressure Relief Valve & Hose
    GM1237052Courtesy of GENERAL MOTORS CORP.
  16. Install the SGCM coolant tank hose (1) to the SGCM coolant tank (3).
  17. Position the SGCM coolant tank hose clamp (2) to the SGCM coolant tank (3).
  18. Fig 6: View Of SGCM, Coolant Tank, Hose & Clamp
    GM1206680Courtesy of GENERAL MOTORS CORP.
  19. Lower the hood from the service position, perform the following:
    1. Remove the hood hinge bolts from the service position (2).
    2. Lower the hood to the normal position.
    3. Install the hood hinge bolts (1).

      Tighten:  Tighten the bolt to 25 N.m (18 lb ft).

  20. Fig 7: Identifying Hood Hinge Normal And Service Position Bolt Holes
    GM310799Courtesy of GENERAL MOTORS CORP.
  21. Install the ground strap to the hood.
  22. NOTE: The procedure below must be followed. Improper coolant level could result in a low or high coolant level condition, causing starter/generator control module damage.
  23. Fill the SGCM cooling system. Refer to Draining and Filling Cooling System - Starter/Generator Control Module .