lemon-mirror:
Home >> Hummer >> 2003 >> H2 >> Repair and Diagnosis >> External Pages >> Different car >> Section 729 (Entertainment System) >> Component Locator >> Entertainment Component Views

Entertainment Component Views

WARNING: This page is about a different car, the 2003 GMC Sierra, 2003 GMC Cab & Chassis Sierra, 2003 Chevrolet Silverado, and 2003 Chevrolet Cab & Chassis Silverado. However, it is still accessible from the selected car via links, so may be relevant.
Fig 1: Speaker-LR (Extended Cab)
G01578749Courtesy of GENERAL MOTORS CORP.
Fig 2: Speaker-RF Door
G01578750Courtesy of GENERAL MOTORS CORP.
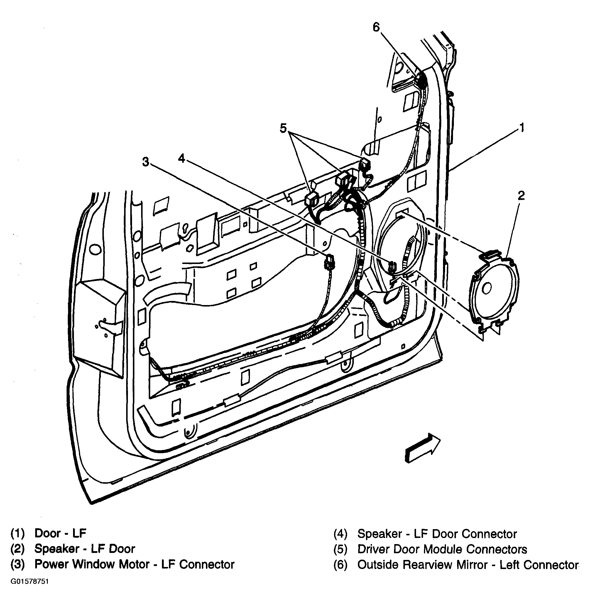
Fig 3: Speaker-LF Door
G01578751Courtesy of GENERAL MOTORS CORP.
Fig 4: Speaker-LF Tweeter (RF Similar)
G01578752Courtesy of GENERAL MOTORS CORP.
Fig 5: Speaker-LR Door (RR Similar)
G01578753Courtesy of GENERAL MOTORS CORP.
Fig 6: Radio (UB7 W/Y91 Shown, Others Similar)
G01578754Courtesy of GENERAL MOTORS CORP.
Fig 7: Splice Pack (SP205)
G01578755Courtesy of GENERAL MOTORS CORP.
Fig 8: Rear Of Center Console
G01578756Courtesy of GENERAL MOTORS CORP.
Fig 9: Steering Wheel
G01578757Courtesy of GENERAL MOTORS CORP.
Fig 10: Remote Playback Device-CD Player
G01578758Courtesy of GENERAL MOTORS CORP.
Fig 11: Digital Radio Receiver
G01578759Courtesy of GENERAL MOTORS CORP.
Fig 12: Rear Seat Entertainment (RSE) Assembly
G01578760Courtesy of GENERAL MOTORS CORP.
Fig 13: Instrument Panel-RH Rear
G01578761Courtesy of GENERAL MOTORS CORP.