lemon-mirror:
Home >> Hummer >> 2008 >> H3 Base, Automatic >> Repair and Diagnosis >> External Pages >> Different car >> Section 391 (Keyless Entry System And Remote Functions) >> Schematic and Routing Diagrams >> Remote Function Schematics

Remote Function Schematics

WARNING: This page is about a different car, the 2009 Cadillac STS. However, it is still accessible from the selected car via links, so may be relevant.
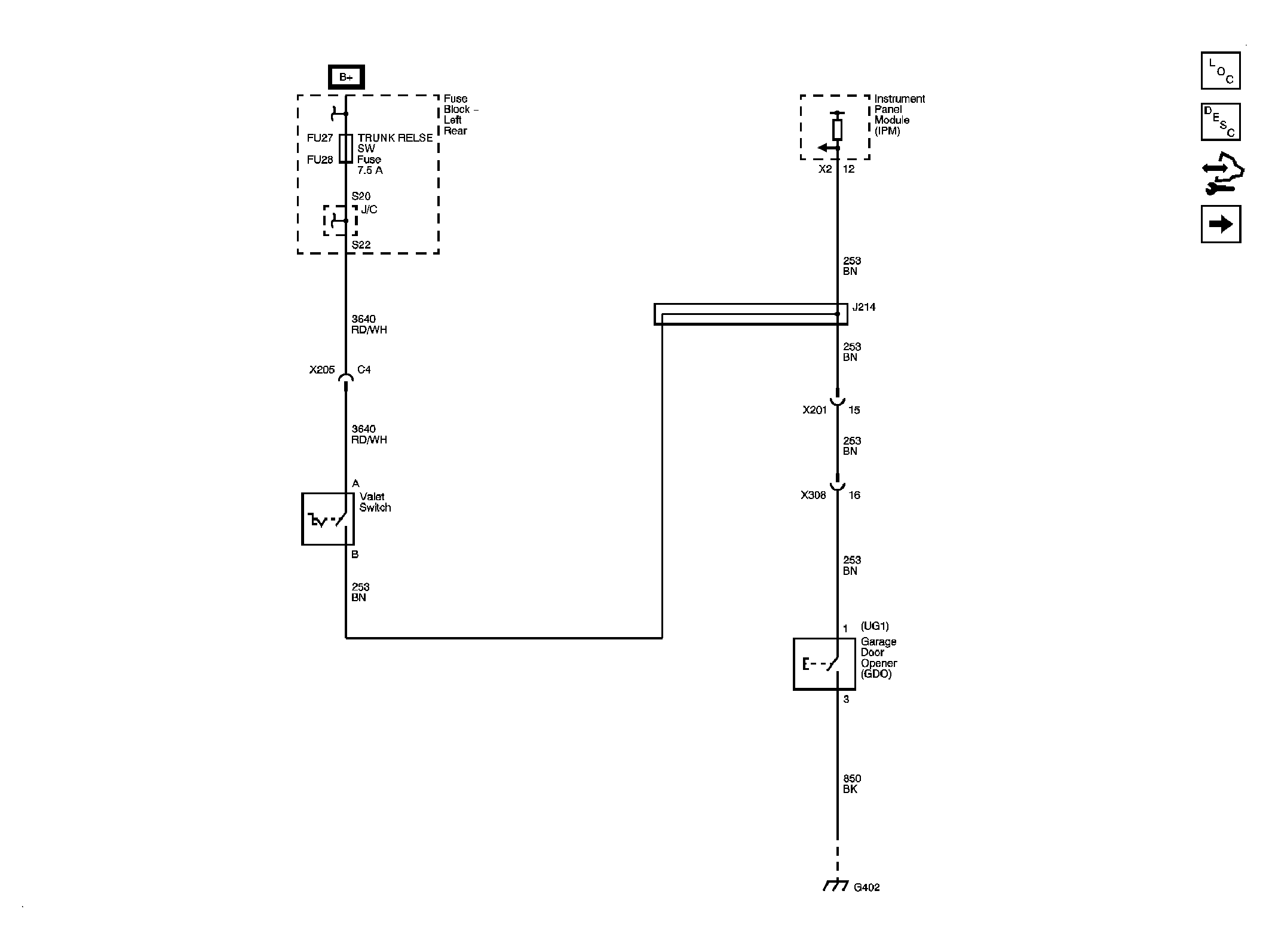
Fig 1: Garage Door Opener
GM2062732Courtesy of GENERAL MOTORS CORP.
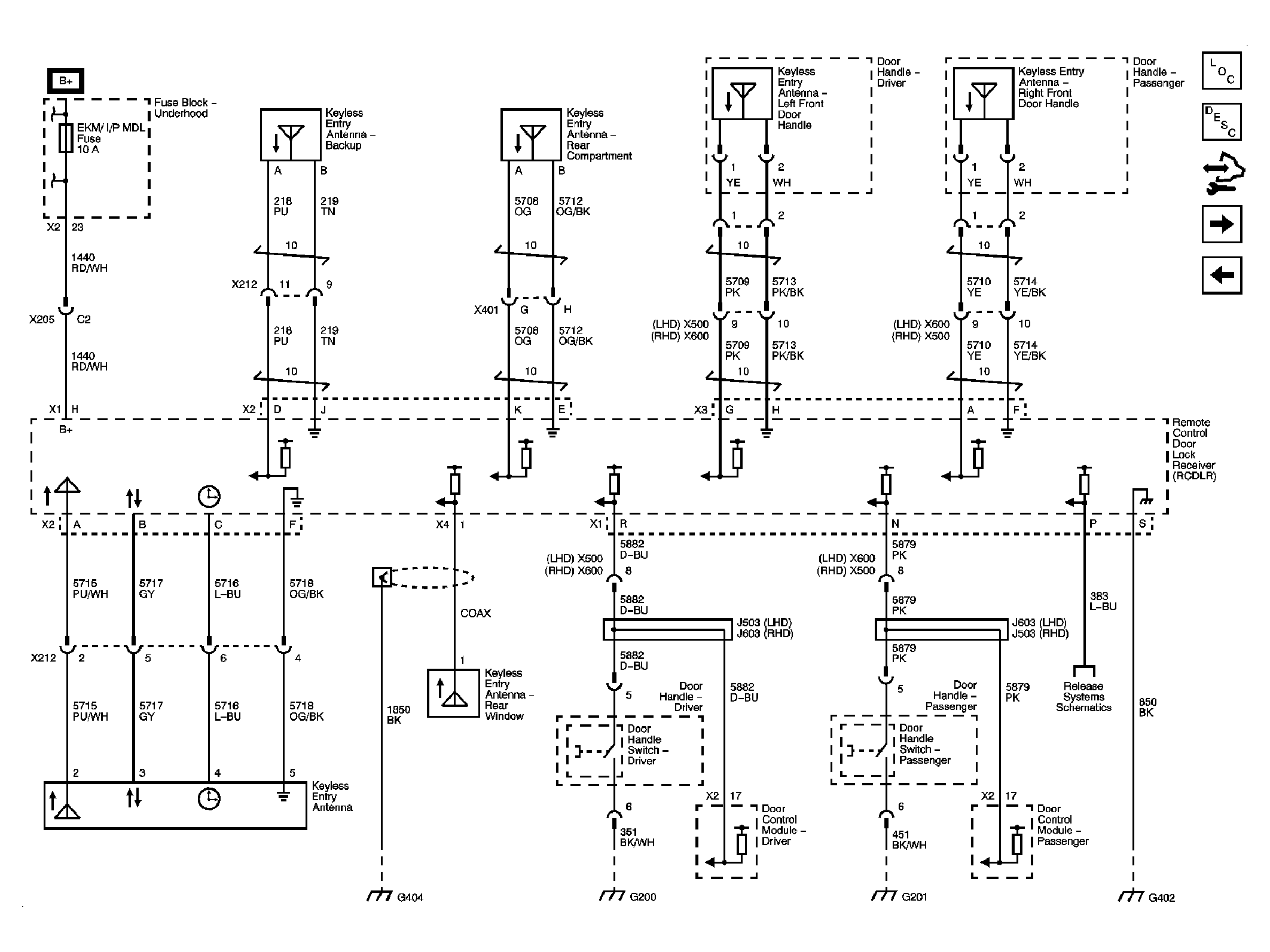
Fig 2: Keyless Entry Module Power, Grounds, Antennas and Switches
GM2062742Courtesy of GENERAL MOTORS CORP.
Fig 3: Keyless Entry DLC, Instrument Panel Cluster (IPC)
GM2062749Courtesy of GENERAL MOTORS CORP.