lemon-mirror:
Home >> Hummer >> 2009 >> H3 Base, Automatic >> Repair and Diagnosis >> Accessories & Equipment >> Collision/Avoidance >> Object Detection System >> Schematic and Routing Diagrams >> Object Detection Schematics

Object Detection Schematics

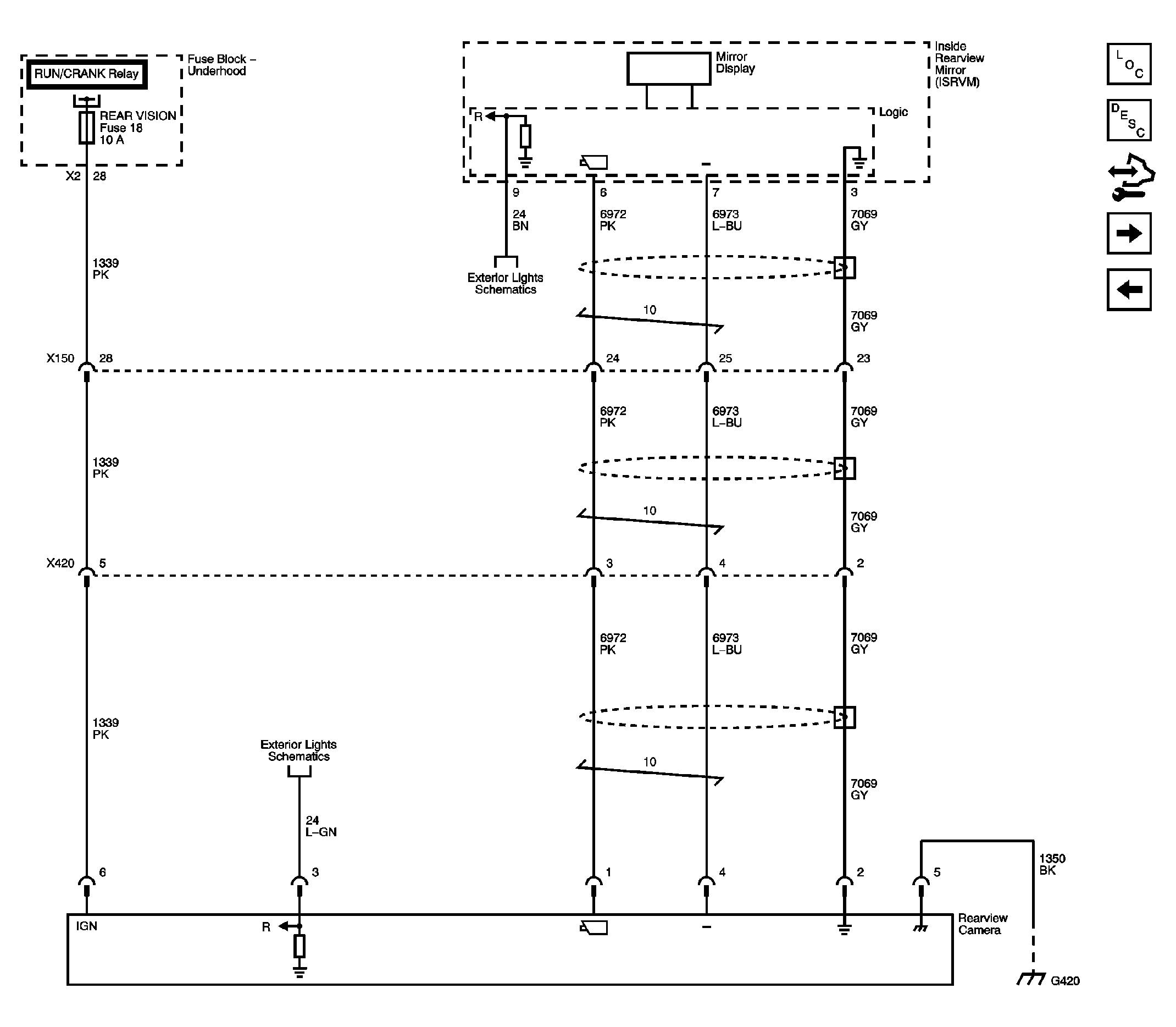
Fig 1: Rearview Camera (SUV with UVC) Schematics
GM2080182Courtesy of GENERAL MOTORS CORP.
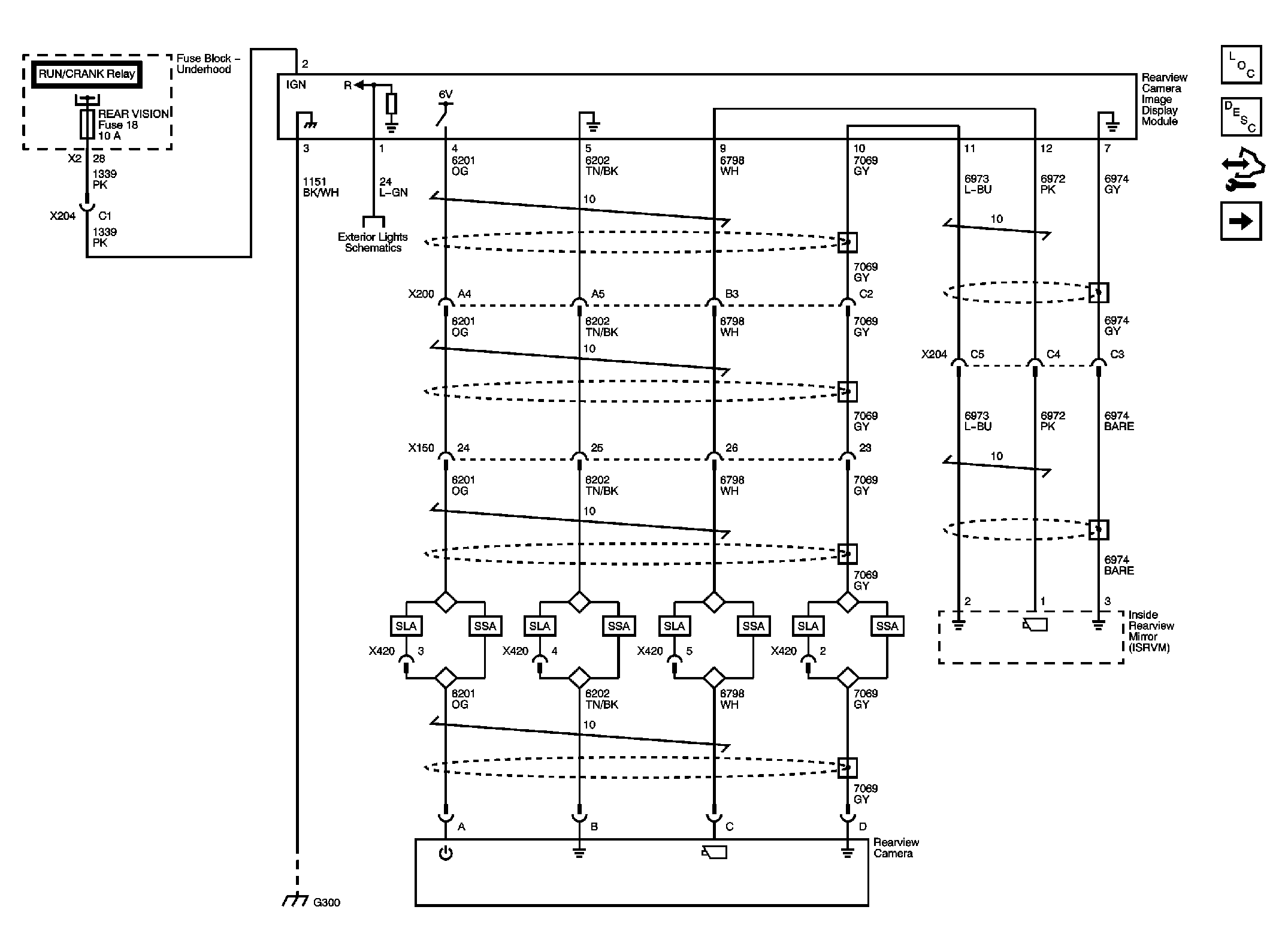
Fig 2: Rearview Camera (Truck with UVC) Schematics
GM2247739Courtesy of GENERAL MOTORS CORP.
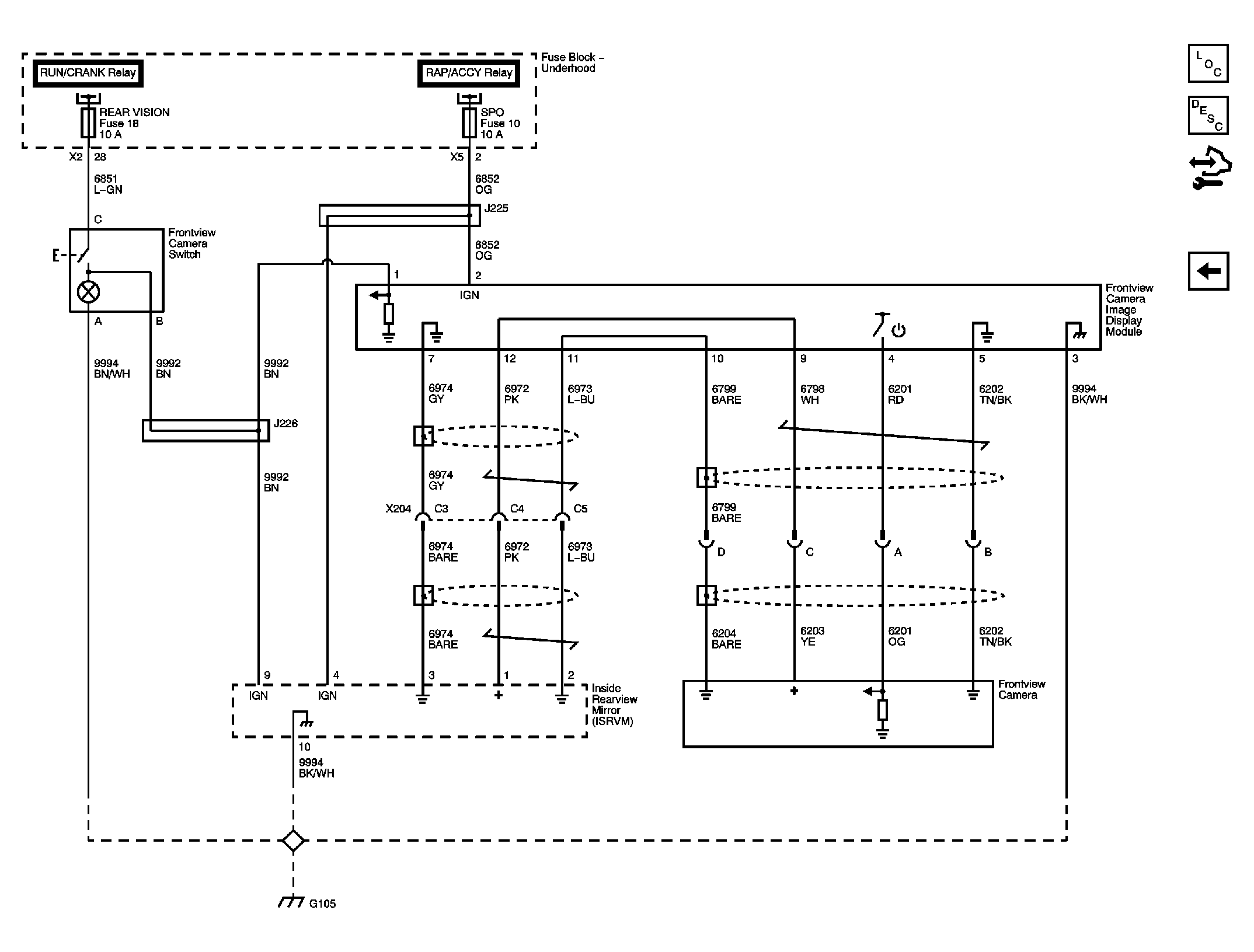
Fig 3: Frontview Camera (SUV with UVF) Schematics
GM2244951Courtesy of GENERAL MOTORS CORP.