lemon-mirror:
Home >> Hyundai >> 2001 >> XG300 Base >> Repair and Diagnosis >> Engine Performance >> Vacuum Diagrams >> Introduction

Vacuum Diagrams: Introduction

This article contains diagrams of vacuum hose routing. Use these vacuum diagrams during the visual inspection in BASIC DIAGNOSTIC PROCEDURES article. This will assist in identifying improperly routed vacuum hoses which cause driveability and/or computer-indicated malfunctions.

Fig 1: Vacuum Hose Diagram (Accent 1.5L)
G00032098Courtesy of HYUNDAI MOTOR CO.
Fig 2: Vacuum Hose Diagram (Accent 1.6L)
G00032102Courtesy of HYUNDAI MOTOR CO.
Fig 3: Vacuum Hose Diagram (Elantra)
G00032106Courtesy of HYUNDAI MOTOR CO.
Fig 4: Vacuum Hose Diagram (Santa Fe 2.4L & Sonata 2.4L)
G99B08803Courtesy of HYUNDAI MOTOR CO.
Fig 5: Vacuum Hose Diagram (Santa Fe 2.7L)
G00032035Courtesy of HYUNDAI MOTOR CO.
Fig 6: Vacuum Hose Diagram (Sonata 2.5L)
G99D08804Courtesy of HYUNDAI MOTOR CO.
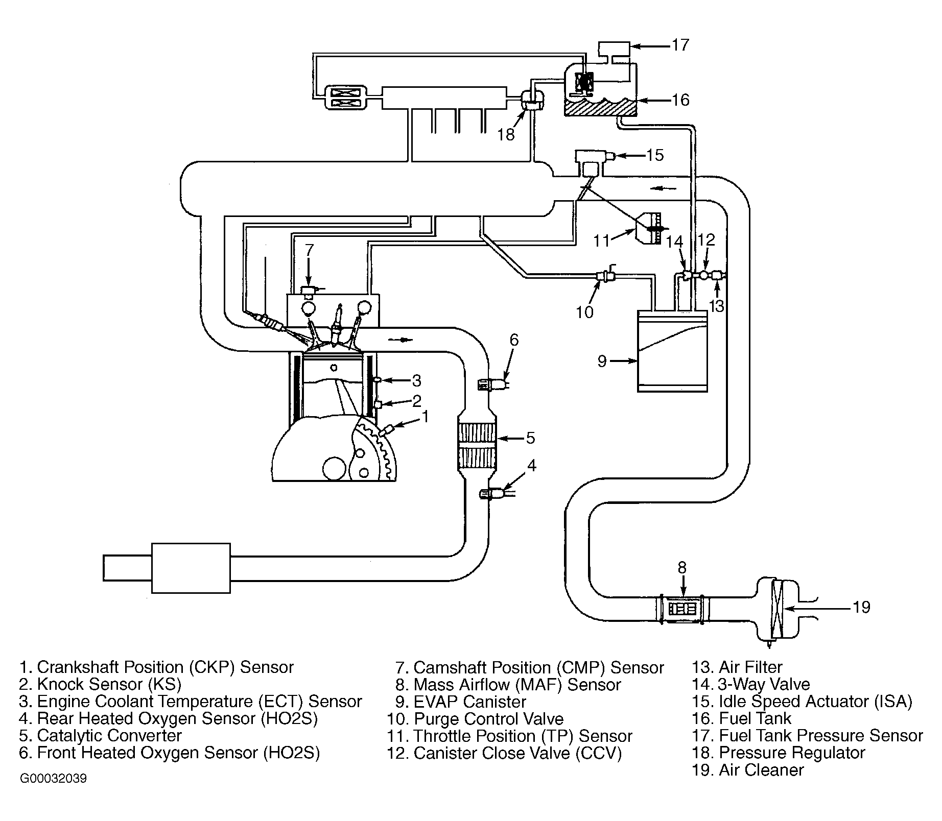
Fig 7: Vacuum Hose Diagram (Tiburon)
G00032039Courtesy of HYUNDAI MOTOR CO.
Fig 8: Vacuum Hose Diagram (XG 300)
G00032043Courtesy of HYUNDAI MOTOR CO.
Fig 9: EVAP System Hose Diagram (Accent)
G00009432Courtesy of HYUNDAI MOTOR CO.
Fig 10: EVAP System Hose Diagram (Elantra, Santa Fe, Sonata & XG 300)
G99J08802Courtesy of HYUNDAI MOTOR CO.
Fig 11: EVAP System Hose Routing (Santa Fe 2.4L)
G00032047Courtesy of HYUNDAI MOTOR CO.
Fig 12: EVAP System Hose Routing (Santa Fe 2.7L)
G00032051Courtesy of HYUNDAI MOTOR CO.
Fig 13: EVAP System Hose Diagram (Tiburon)
G99H08801Courtesy of HYUNDAI MOTOR CO.