lemon-mirror:
Home >> Hyundai >> 2003 >> Tiburon Base, Automatic >> Repair and Diagnosis >> Electrical >> Starters >> Overhaul >> Notes

Repair and Diagnosis: Electrical: Starters: Overhaul: Notes

CAUTION: DO NOT immerse starter components in cleaning solvent. Immersing yoke and field coil assembly and/or armature will damage insulation. Wipe these components with a cloth only. DO NOT immerse drive unit in cleaning solvent. Overrunning clutch is factory lubricated and solvent will wash lubrication from clutch. Drive unit may be cleaned with a brush moistened with cleaning solvent and wiped dry using a cloth.
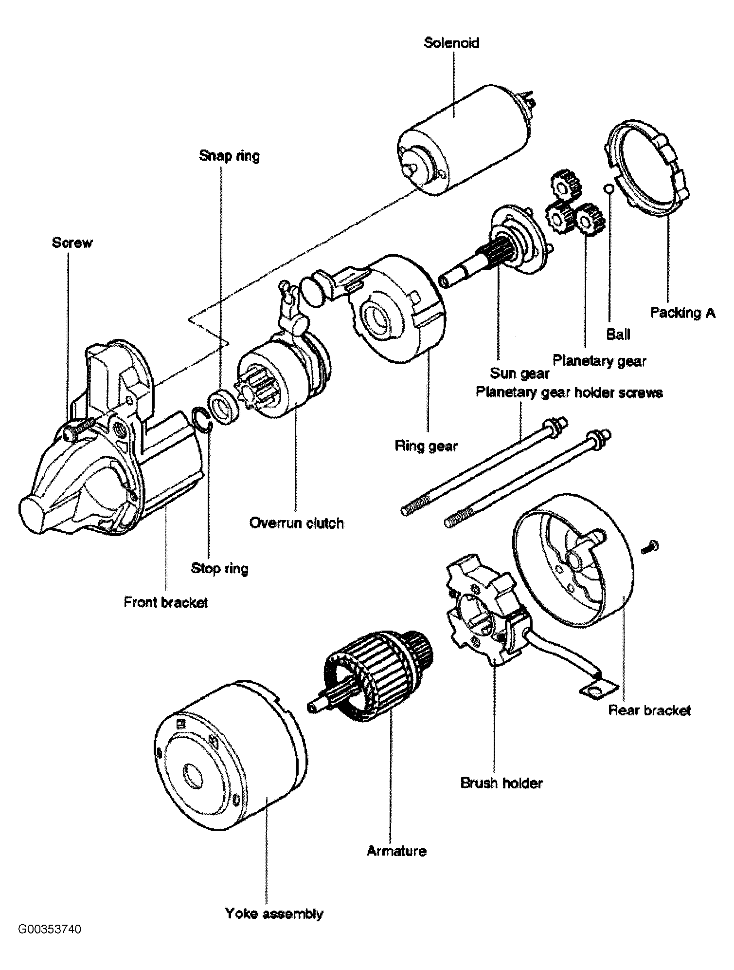
Fig 1: Exploded View Of Starter
G00353740Courtesy of HYUNDAI MOTOR CO.