lemon-mirror:
Home >> Hyundai >> 2004 >> Elantra GLS, Automatic >> Repair and Diagnosis >> Engine Performance >> System >> Emission Control System >> Evaporative Emission Control System >> Components

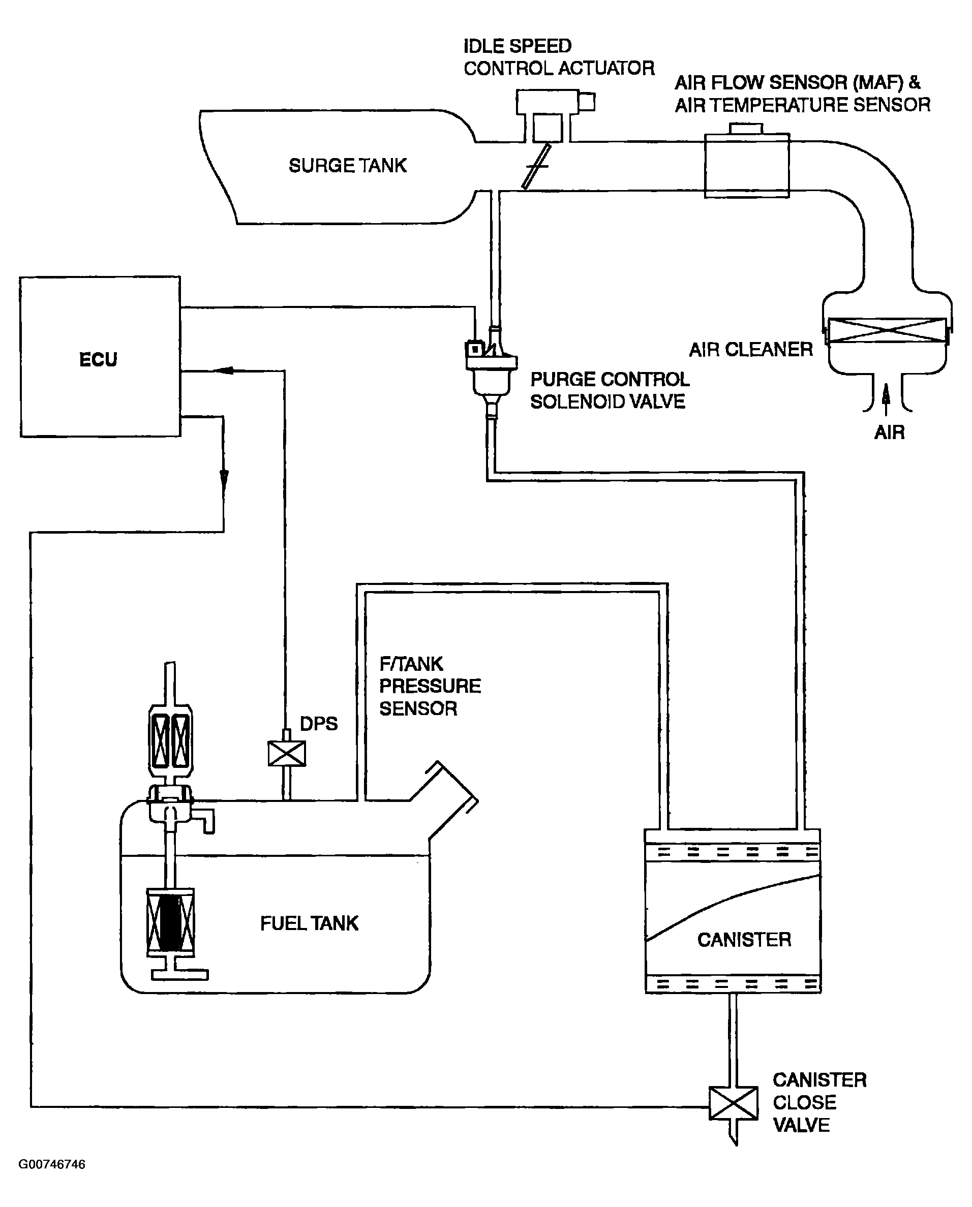
Evaporative Emission Control System: Components

Fig 1: Evaporative Emission Control System Diagram
G00746746Courtesy of HYUNDAI MOTOR CO.