lemon-mirror:
Home >> Hyundai >> 2004 >> Santa Fe LX, AWD >> Repair and Diagnosis >> Transmission >> Transfer Case Assembly >> Transfer Case Assembly >> Coupling Assembly >> System Schematics

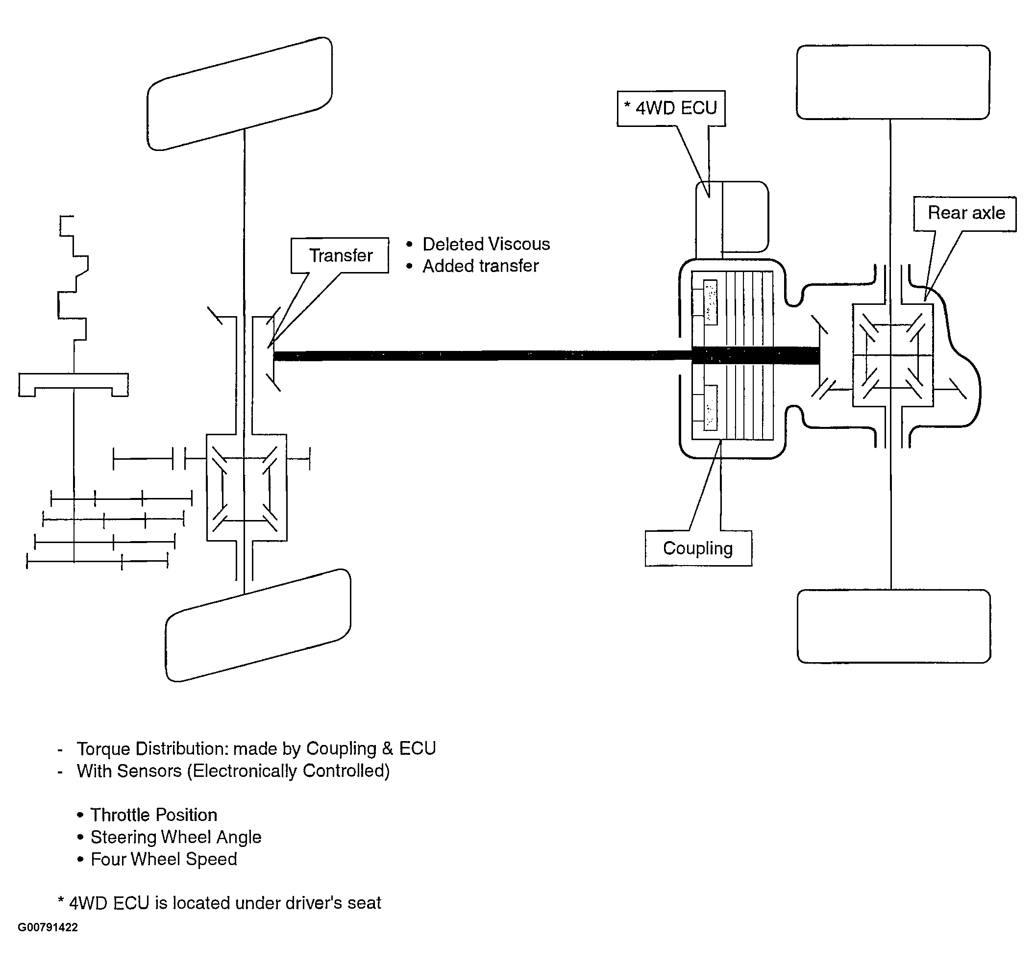
System Schematics

Fig 1: System Schematics
G00791422Courtesy of HYUNDAI MOTOR CO.