lemon-mirror:
Home >> Hyundai >> 2004 >> Tiburon Base, Automatic >> Repair and Diagnosis >> Brakes >> Traction Control >> Anti-Lock Brake System >> Anti-Lock Braking System Control Module >> Circuit Diagram

Circuit Diagram

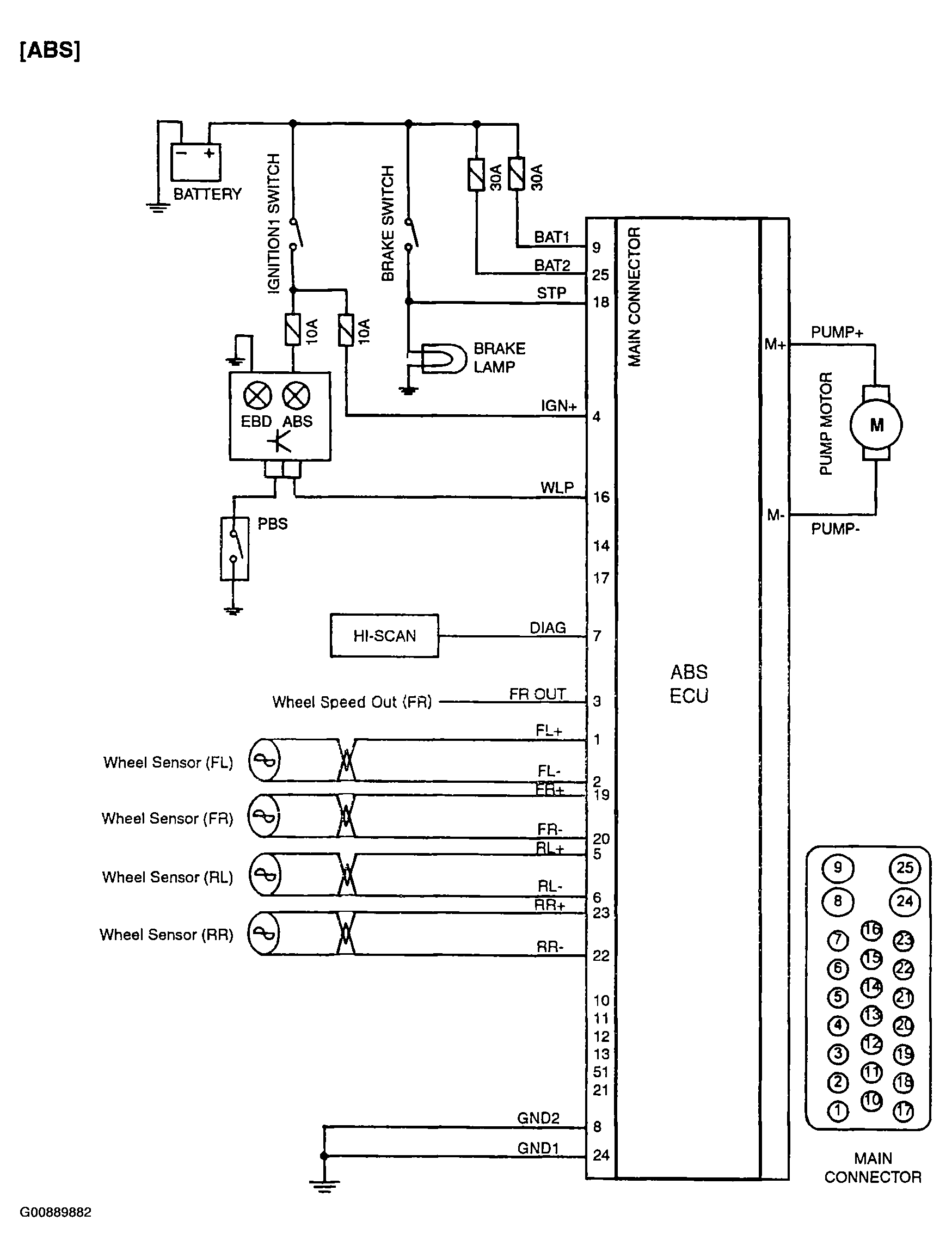
Fig 1: ABS Circuit Diagram
G00889882Courtesy of HYUNDAI MOTOR CO.
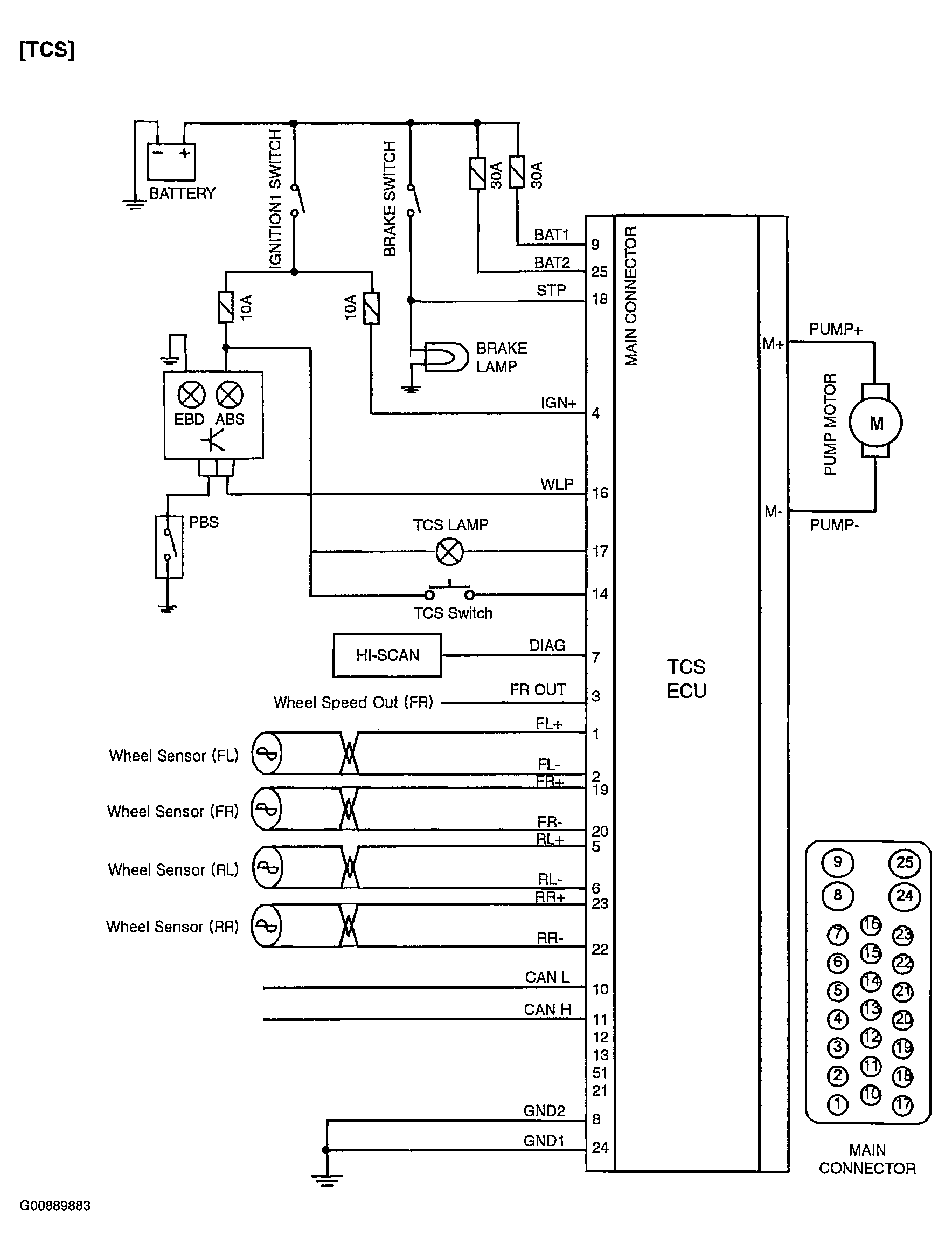
Fig 2: TCS Circuit Diagram
G00889883Courtesy of HYUNDAI MOTOR CO.