lemon-mirror:
Home >> Hyundai >> 2004 >> XG350 Base >> Repair and Diagnosis >> Engine Performance >> Engine Control Systems >> Fuel System >> MFI Control System >> Engine Control Module (ECM) Control Relay >> Circuit Diagram

Circuit Diagram

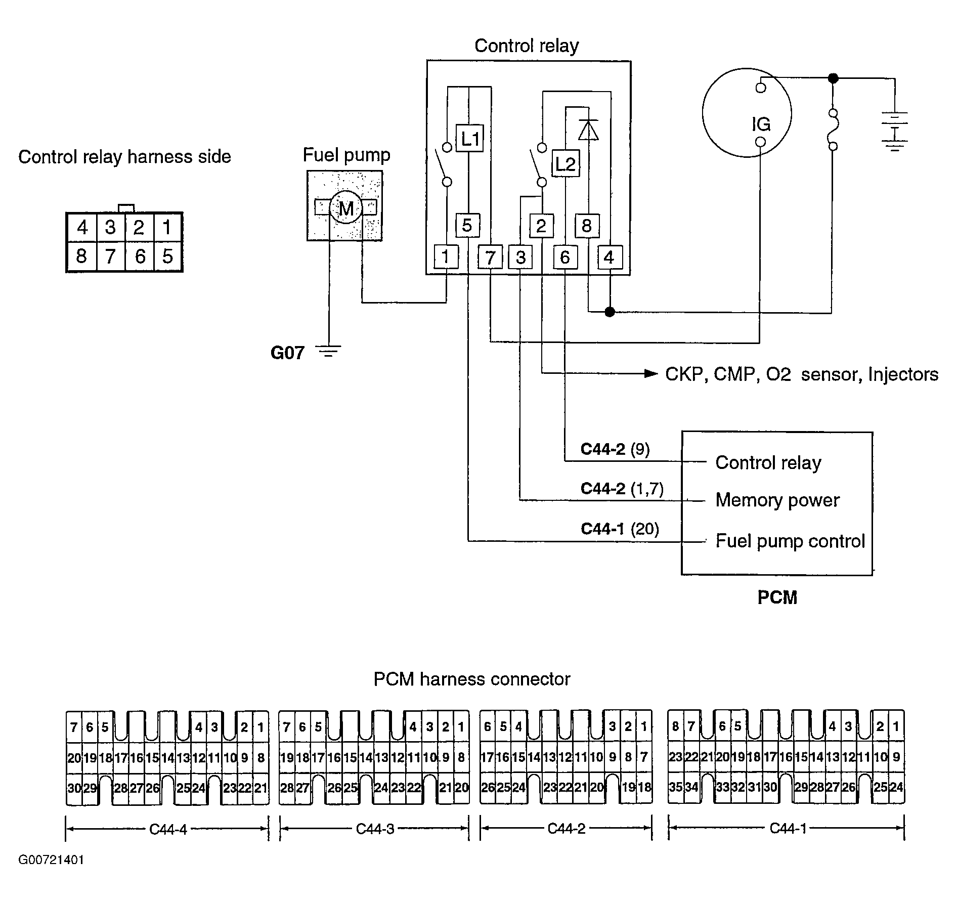
Fig 1: ECM Control Relay Circuit Diagram
G00721401Courtesy of HYUNDAI MOTOR CO.