lemon-mirror:
Home >> Hyundai >> 2004 >> XG350 Base >> Repair and Diagnosis >> Engine Performance >> Engine Control Systems >> Fuel System >> MFI Control System >> Ignition Coil >> Circuit Diagram

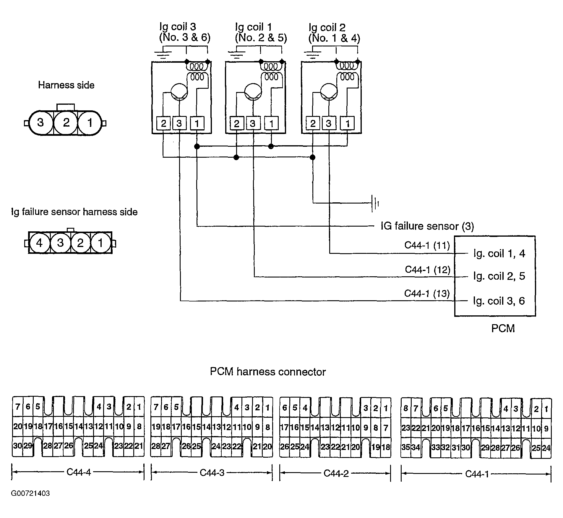
Circuit Diagram

Fig 1: Ignition Coil Circuit Diagram
G00721403Courtesy of HYUNDAI MOTOR CO.