lemon-mirror:
Home >> Hyundai >> 2004 >> XG350 Base >> Repair and Diagnosis >> Engine Performance >> Engine Control Systems >> Fuel System >> MFI Control System >> Throttle Position (TP) Sensor >> Circuit Diagram

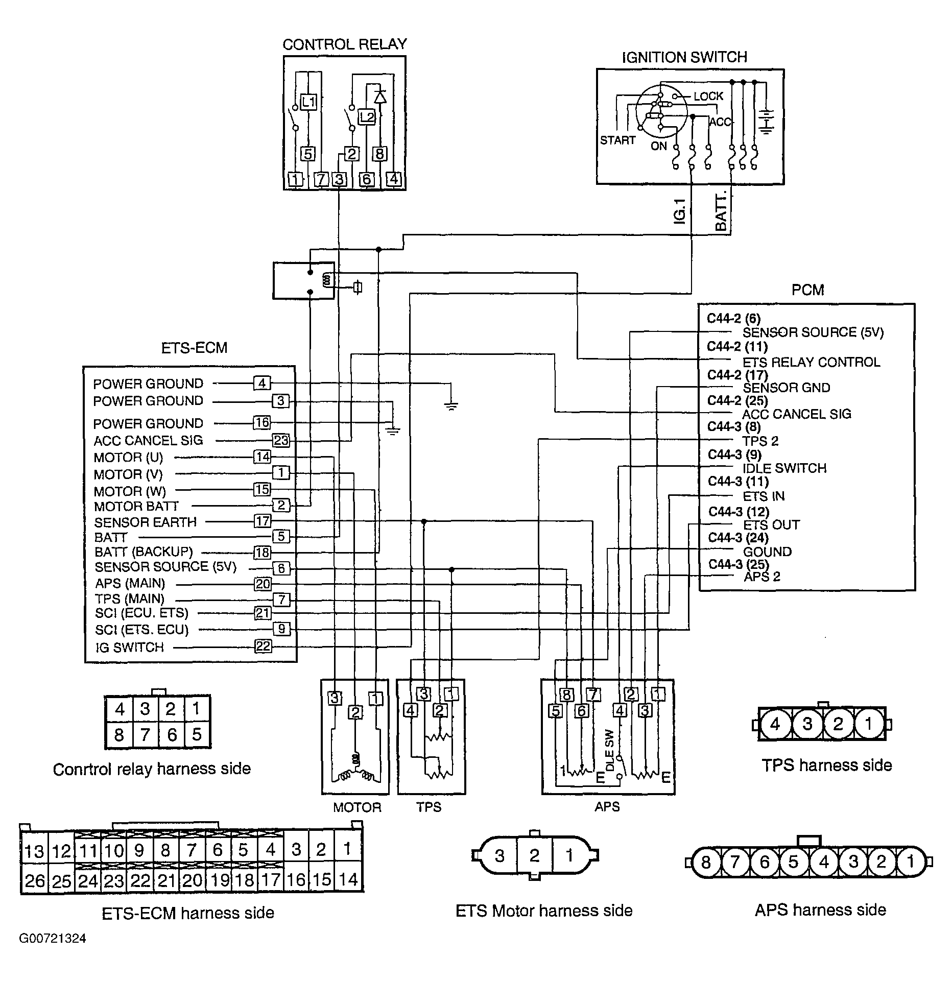
Circuit Diagram

Fig 1: TP Sensor Circuit Diagram
G00721324Courtesy of HYUNDAI MOTOR CO.