lemon-mirror:
Home >> Hyundai >> 2005 >> Elantra GLS, 4D Hatchback, Automatic >> Repair and Diagnosis >> Engine Performance >> Engine Control Systems >> Fuel System >> Gasoline Engine Control System >> Engine Control Module (ECM) >> Circuit Diagram

Circuit Diagram

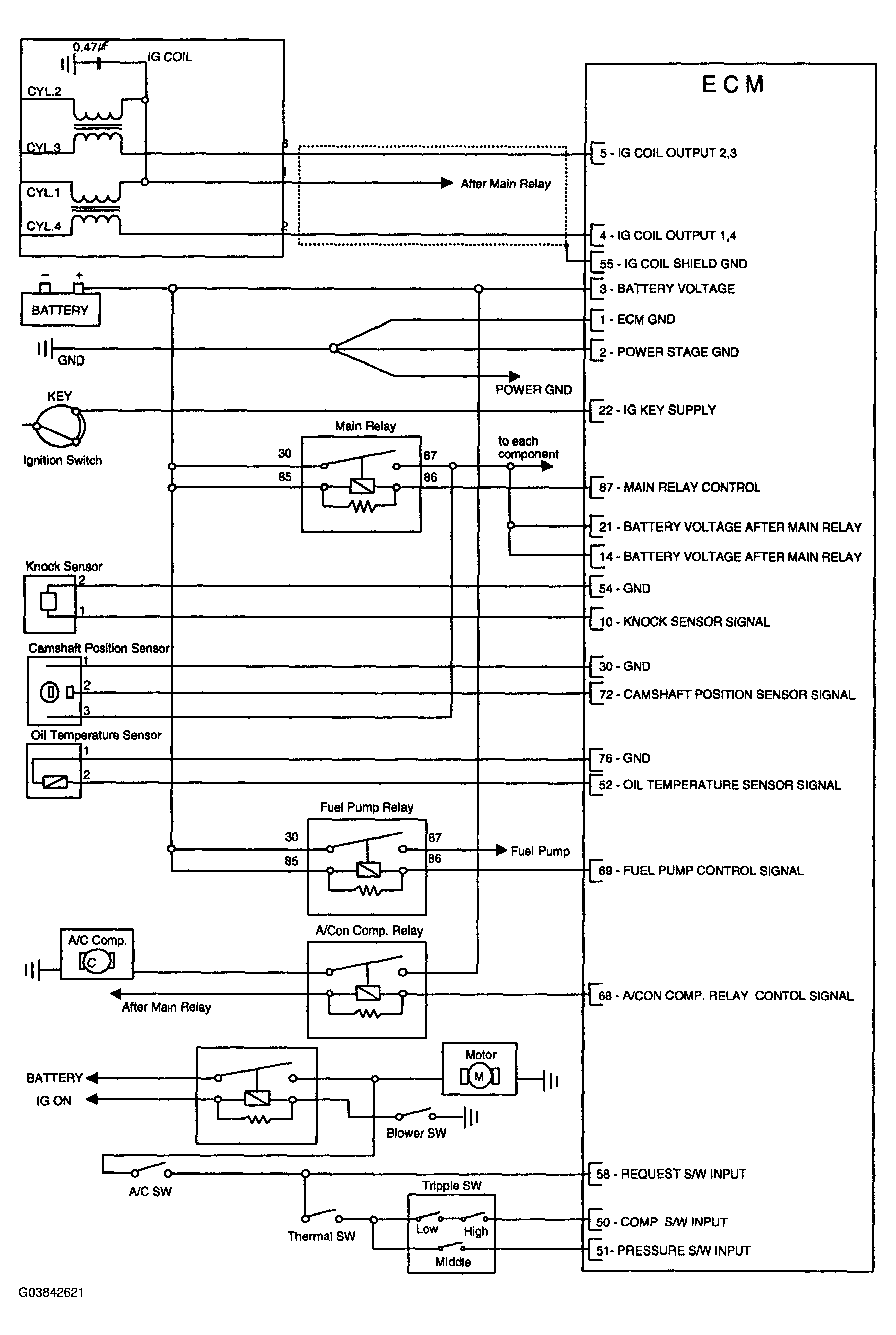
Fig 1: Fuel System Circuit Diagram (1 Of 3)
G03842621Courtesy of HYUNDAI MOTOR CO.
Fig 2: Fuel System Circuit Diagram (2 Of 3)
G03842622Courtesy of HYUNDAI MOTOR CO.
Fig 3: Fuel System Circuit Diagram (3 Of 3)
G03842623Courtesy of HYUNDAI MOTOR CO.