lemon-mirror:
Home >> Hyundai >> 2006 >> Azera Limited >> Repair and Diagnosis >> Engine Performance >> Engine Control Systems >> Fuel System (G6DA-GSL 3.8) >> Gasoline Engine Control System >> Powertrain Control Module (Pcm) >> Circuit Diagram

Circuit Diagram

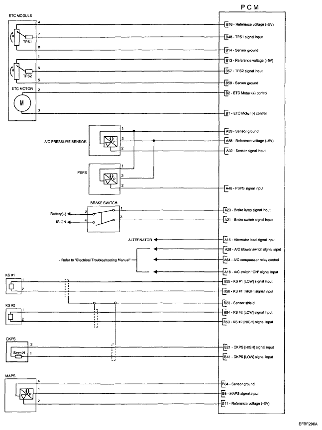
Fig 1: Powertrain Control Module - Circuit Diagram (1 Of 5)
G04884289Courtesy of HYUNDAI MOTOR CO.
Fig 2: Powertrain Control Module - Circuit Diagram (2 Of 5)
G04884290Courtesy of HYUNDAI MOTOR CO.
Fig 3: Powertrain Control Module - Circuit Diagram (3 Of 5)
G04884291Courtesy of HYUNDAI MOTOR CO.
Fig 4: Powertrain Control Module - Circuit Diagram (4 Of 5)
G04884292Courtesy of HYUNDAI MOTOR CO.
Fig 5: Powertrain Control Module - Circuit Diagram (5 Of 5)
G04884293Courtesy of HYUNDAI MOTOR CO.