lemon-mirror:
Home >> Hyundai >> 2006 >> Elantra Limited >> Repair and Diagnosis >> Engine Performance >> Engine Control Systems >> Fuel System (G4GC-GSL 2.0) >> Engine Control Module (ECM) >> Circuit Diagram

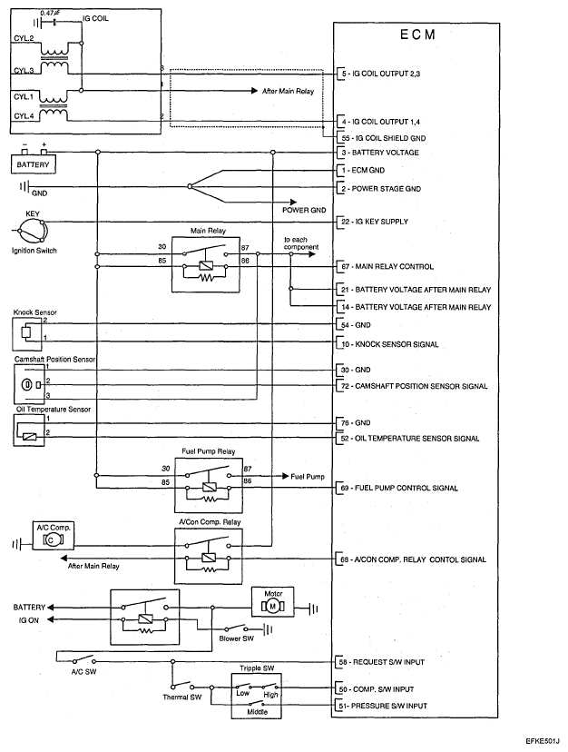
Circuit Diagram

Fig 1: Engine Control System - Circuit Diagram (1 Of 3)
G04923775Courtesy of HYUNDAI MOTOR CO.
Fig 2: Engine Control System - Circuit Diagram (2 Of 3)
G04923776Courtesy of HYUNDAI MOTOR CO.
Fig 3: Engine Control System - Circuit Diagram (3 Of 3)
G04923777Courtesy of HYUNDAI MOTOR CO.