lemon-mirror:
Home >> Hyundai >> 2007 >> Azera GLS >> Repair and Diagnosis >> Brakes >> Traction Control >> ESC (Electronic Stability Control) System >> ESC Operation Mode >> Notes

ESC Operation Mode: Notes

  1. The ESC analyzes the intention of the driver.
    Fig 1: ESC Operation Mode - Step 1
    G04881010Courtesy of HYUNDAI MOTOR CO.
  2. It analyzes the movement of the ESC vehicle.
    Fig 2: ESC Operation Mode - Step 2
    G04881011Courtesy of HYUNDAI MOTOR CO.
  3. It controls a vehicle posture control through the ESC braking power.
    • The ECU calculates the needed countermeasure.
    • The hydraulic unit controls independently the braking power of each wheel.
    • The ESC adjusts engine output through an engine and communication line to be connected.
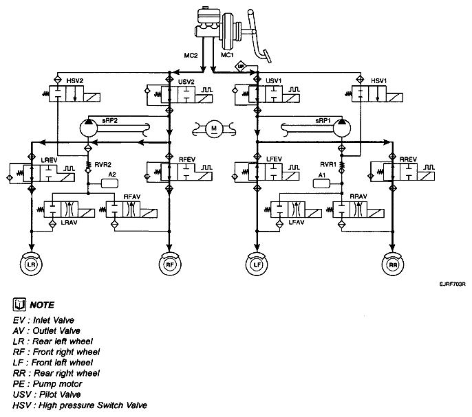
  1. ESC Non-operation-Normal braking
    ESC OPERATION MODE

      Inlet valve (EV) Outlet valve (AV) Pilot valve (USV) High pressure switch valve (HSV) Pump motor
    Normal braking Open Close Open Close OFF
    Fig 3: ESC Operation Mode Circuit Diagram
    G04881012Courtesy of HYUNDAI MOTOR CO.
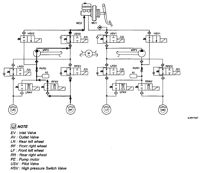
  2. ESC INCREASE MODE
    ESC INCREASE MODE

      Inlet valve (EV) Outlet valve (AV) Pilot valve (USV) High pressure switch valve (HSV) Pump motor
    Normal braking Open Close Close (Partial) Open ON (Motor speed control)
    Fig 4: ESC Increase Mode Circuit Diagram
    G04881013Courtesy of HYUNDAI MOTOR CO.
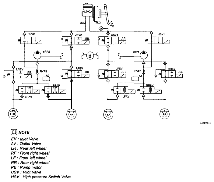
  3. ESC HOLD MODE (FR is only controlled.)
    ESC HOLD MODE

      Inlet valve (EV) Outlet valve (AV) Pilot valve (USV) High pressure switch valve (HSV) Pump motor
    Normal braking Close Close Close (Partial) Open ON (Motor speed low control)
    Fig 5: ESC Hold Mode Circuit Diagram
    G04881014Courtesy of HYUNDAI MOTOR CO.
  4. ESC DECREASE MODE (FR is only controlled)
    ESC DECREASE MODE

      Inlet valve (EV) Outlet valve (AV) Pilot valve (USV) High pressure switch valve (HSV) Pump motor
    Normal braking Close Open Close (Partial) Open ON (Motor speed low control)
    Fig 6: ESC Decrease Mode Circuit Diagram
    G04881015Courtesy of HYUNDAI MOTOR CO.