lemon-mirror:
Home >> Hyundai >> 2007 >> Sonata GLS, Automatic >> Repair and Diagnosis >> Engine Performance >> Engine Control Systems >> Fuel System (G4KC-GSL 2.4) >> Gasoline Engine Control System >> Engine Control Module (ECM) >> Engine Control Module >> Circuit Diagram

Circuit Diagram

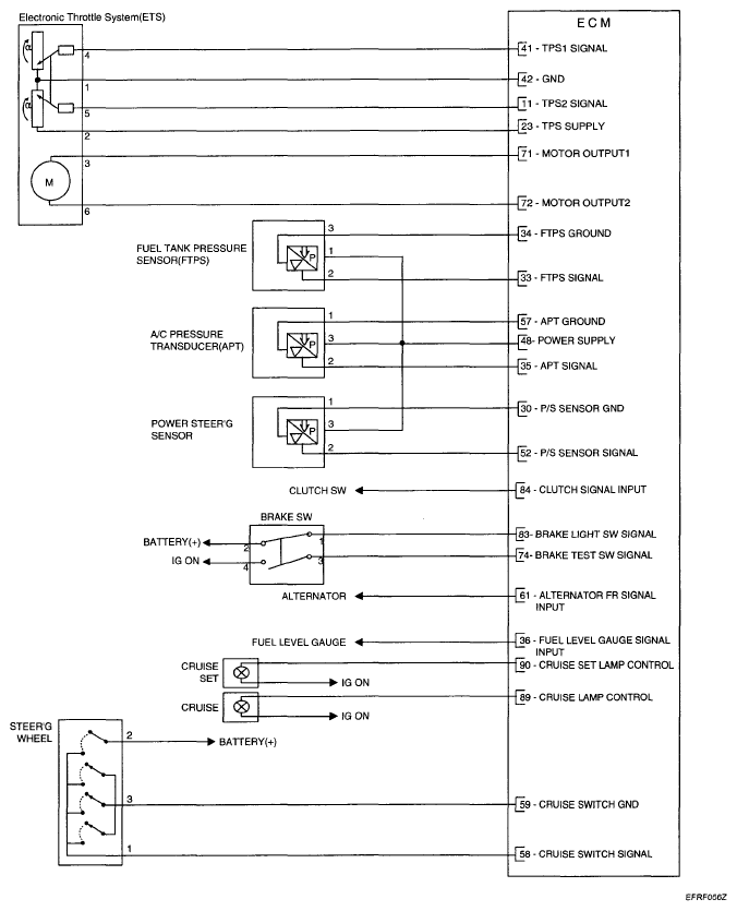
Fig 1: Fuel System Circuit Diagram (1 Of 4)
G04890829Courtesy of HYUNDAI MOTOR CO.
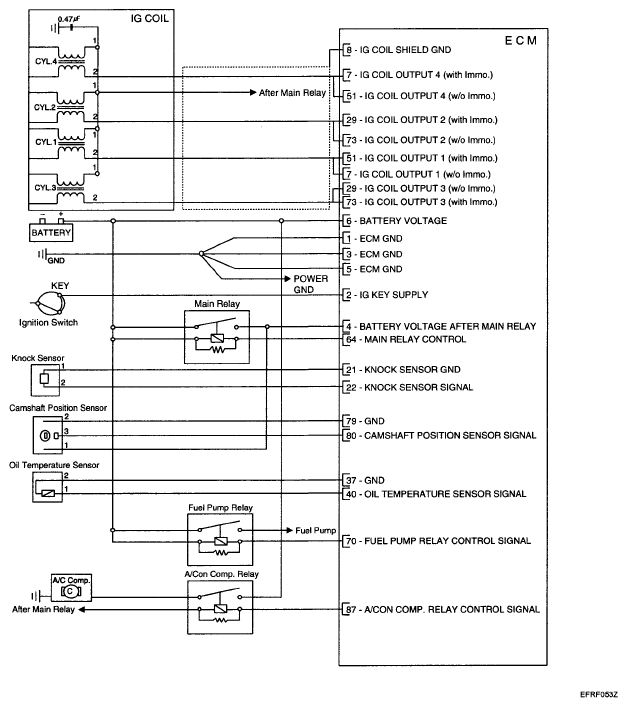
Fig 2: Fuel System Circuit Diagram (2 Of 4)
G04890830Courtesy of HYUNDAI MOTOR CO.
Fig 3: Fuel System Circuit Diagram (3 Of 4)
G04890831Courtesy of HYUNDAI MOTOR CO.
Fig 4: Fuel System Circuit Diagram (4 Of 4)
G04890832Courtesy of HYUNDAI MOTOR CO.