lemon-mirror:
Home >> Hyundai >> 2009 >> Accent GLS, Automatic >> Repair and Diagnosis >> Engine Performance >> Fuel Delivery >> Engine Control/Fuel System >> Engine Control System >> Engine Control Module (ECM) >> Circuit Diagram

Circuit Diagram

[A/T] 

Fig 1: A/T Fuel System Circuit Diagram (1 Of 4)
G06129946Courtesy of HYUNDAI MOTOR CO.
Fig 2: A/T Fuel System Circuit Diagram (2 Of 4)
G06129947Courtesy of HYUNDAI MOTOR CO.
Fig 3: A/T Fuel System Circuit Diagram (3 Of 4)
G06129948Courtesy of HYUNDAI MOTOR CO.
Fig 4: A/T Fuel System Circuit Diagram (4 Of 4)
G06129949Courtesy of HYUNDAI MOTOR CO.

[M/T] 

Fig 5: M/T Fuel System Circuit Diagram (1 Of 3)
G06129950Courtesy of HYUNDAI MOTOR CO.
Fig 6: M/T Fuel System Circuit Diagram (2 Of 3)
G06129951Courtesy of HYUNDAI MOTOR CO.
Fig 7: M/T Fuel System Circuit Diagram (3 Of 3)
G06129952Courtesy of HYUNDAI MOTOR CO.
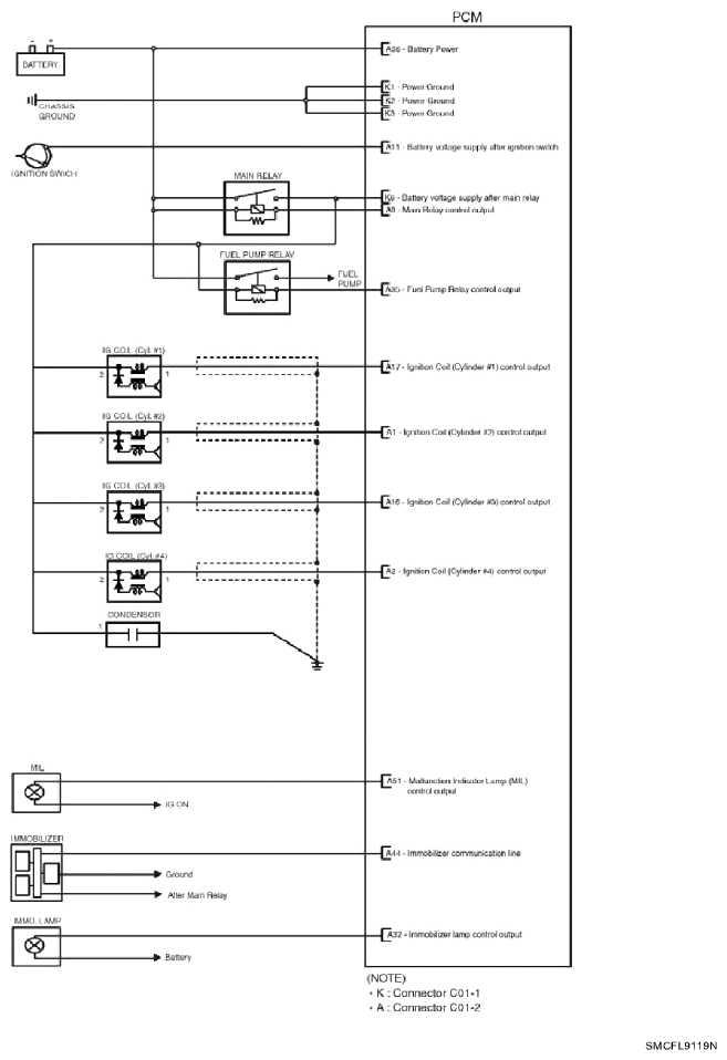
Fig 8: Engine Control System Circuit Diagram
G06129953Courtesy of HYUNDAI MOTOR CO.