lemon-mirror:
Home >> Hyundai >> 2009 >> Elantra GLS, Automatic >> Repair and Diagnosis >> Engine Performance >> Engine Control Systems >> Engine Control/Fuel System (G4GC-GSL 2.0) >> Fuel Delivery System >> Component Location

Component Location

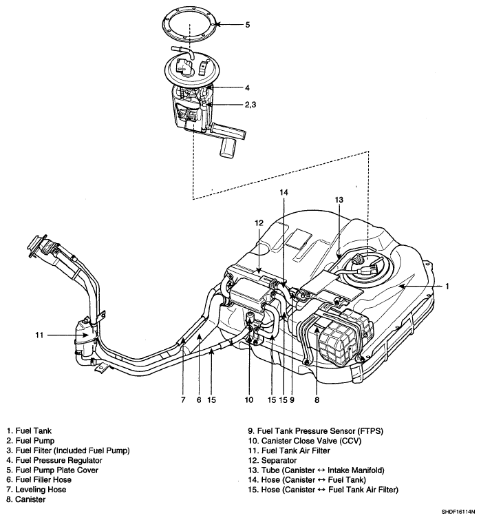
Fig 1: Identifying Fuel Delivery System Component Location
G05363925Courtesy of HYUNDAI MOTOR CO.