lemon-mirror:
Home >> Hyundai >> 2009 >> Santa Fe SE, FWD >> Repair and Diagnosis >> Engine Performance >> Engine Control Systems >> Engine Control System (Fuel System (3.3L)) >> Powertrain Control Module (PCM) >> Circuit Diagram

Circuit Diagram

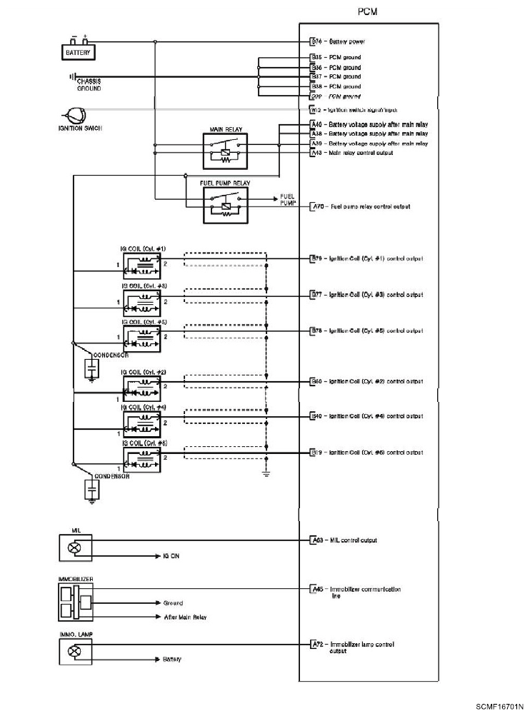
Fig 1: Engine Control System - Circuit Diagram (1 Of 5)
G06217930Courtesy of HYUNDAI MOTOR CO.
Fig 2: Engine Control System - Circuit Diagram (2 Of 5)
G06217931Courtesy of HYUNDAI MOTOR CO.
Fig 3: Engine Control System - Circuit Diagram (3 Of 5)
G06217932Courtesy of HYUNDAI MOTOR CO.
Fig 4: Engine Control System - Circuit Diagram (4 Of 5)
G06217933Courtesy of HYUNDAI MOTOR CO.
Fig 5: Engine Control System - Circuit Diagram (5 Of 5)
G06217934Courtesy of HYUNDAI MOTOR CO.