lemon-mirror:
Home >> Hyundai >> 2011 >> Azera GLS >> Repair and Diagnosis >> Engine Mechanical >> Intake System And Exhaust System >> Intake Manifold >> Repair Procedures

Repair Procedures

  1. Disconnect the battery negative terminal from the battery.
  2. Remove the air duct(A).
    Fig 1: Identifying Air Duct
    G06801397Courtesy of HYUNDAI MOTOR CO.
  3. Remove the air cleaner assembly.
    1. Disconnect the breather hose (A).
    2. Disconnect the ECM connectors (B).
    3. Disconnect the AFS connector (C) and then remove the air cleaner assembly (D).

      Tightening torque 

      7.8 ~ 9.8N.m (0.8 ~ 1.0kgf.m, 5.8 ~ 7.2lb-ft)

    4. Step 4 consist of illustration only
      Fig 2: Locating Air Cleaner Upper Cover And Intake Hose
      G00510024Courtesy of HYUNDAI MOTOR CO.
  4. Remove the under cover (A).

    Tightening torque 

    9.8 ~ 11.8N.m (1.0 ~ 1.2kgf.m, 7.2 ~ 8.7lb-ft)

    Fig 3: Identifying Under Cover
    G04879441Courtesy of HYUNDAI MOTOR CO.
  5. Drain the engine coolant.

    Remove the radiator cap to speed draining.

  6. Remove the engine wiring connectors, the harness protectors and mounting clamps.
    1. RH front, rear oxygen sensor connectors (A).
    2. Power steering oil pressure sensor connector (B).
    3. VIS solenoid valve connector (C).
    4. RH exhaust camshaft OCV connector (D).
    5. RH injector connector (E).
    6. Fig 4: Identifying Engine Wiring Connectors, The Harness Protectors And Mounting Clamps.
      G00510028Courtesy of HYUNDAI MOTOR CO.
    7. Condenser connector (A).
    8. RH ignition coil connector (B).
    9. Knock sensor connector (C).
    10. LH/RH intake camshaft OCV connector (D).
    11. LH exhaust camshaft OCV connector (E).
    12. LH injector connectors (F).
    13. Fig 5: Identifying Engine Harness Connectors
      G00510029Courtesy of HYUNDAI MOTOR CO.
    14. LH ignition coil connectors (A).
    15. LH exhaust CMPS connector (B).
    16. Fig 6: Identifying LH Ignition Coil And LH Exhaust CMPS Connectors
      G00510030Courtesy of HYUNDAI MOTOR CO.
    17. LH front oxygen sensor connector (A).
    18. Fig 7: Identifying LH Front Oxygen Sensor Connector (A)
      G00510031Courtesy of HYUNDAI MOTOR CO.
    19. Alternator connector (A) and the 'B' terminal cable (B).
    20. Fig 8: Identifying Alternator Connector (A) And The 'B' Terminal Cable (B).
      G00510032Courtesy of HYUNDAI MOTOR CO.
    21. LH intake CMPS connector (A) and the oil pressure switch connector (B).
    22. Fig 9: Identifying LH Intake CMPS Connector (A) And The Oil Pressure Switch Connector (B)
      G00510033Courtesy of HYUNDAI MOTOR CO.
    23. PCSV connector (A).
    24. MAP sensor connector (B).
    25. RH intake CMPS connector (C).
    26. ETC connector (D).
    27. OTS connector (E).
    28. Fig 10: Identifying LH Intake CMPS Connector (A) And The Oil Pressure Switch Connector (B)
      G00510034Courtesy of HYUNDAI MOTOR CO.
    29. Knock sensor connector (B) and the RH exhaust CMPS connector (A).
    30. Fig 11: Identifying Knock Sensor Connector (B) And The RH Exhaust CMPS Connector (A)
      G00510035Courtesy of HYUNDAI MOTOR CO.
    31. WTS & gauge unit connector (A).
    32. Fig 12: Identifying WTS Connector
      G06216240Courtesy of HYUNDAI MOTOR CO.
    33. LH rear oxygen sensor connector (A) and the CKPS connector (B).
    34. Fig 13: Identifying LH Rear Oxygen Sensor And CPS Connector
      G06216241Courtesy of HYUNDAI MOTOR CO.
  7. Disconnect the throttle body coolant hoses (A), the brake booster vacuum hose (B) and the fuel hose (C).

    Tightening torque : 

    9.8 ~ 11.8N.m (1.0 ~ 1.2kgf.m, 7.2 ~ 8.7lb-ft)

    Fig 14: Identifying Throttle Body Coolant Hoses (A), The Brake Booster Vacuum Hose (B) And The Fuel Hose (C)
    G00510036Courtesy of HYUNDAI MOTOR CO.
  8. Remove the throttle body (A).

    Tightening torque : 

    9.8 ~ 11.8N.m (1.0 ~ 1.2kgf.m, 7.2 ~ 8.7lb-ft)

    Fig 15: Identifying Trottle Body
    G00510037Courtesy of HYUNDAI MOTOR CO.
  9. Remove the surge tank stay (A).

    Tightening torque: 

    27.5 ~ 31.4N.m (2.8 ~ 3.2kgf.m, 20.3 ~ 23.1lb-ft)

    Fig 16: Identifying Surge Tank Bracket
    G04890678Courtesy of HYUNDAI MOTOR CO.
  10. Remove surge tank stay (A).

    Tightening torque: 

    9.8 ~ 11.8N.m (1.0 ~ 1.2kgf.m, 7.2 ~ 8.7lb-ft)

    Fig 17: Identifying Surge Tank
    G00510038Courtesy of HYUNDAI MOTOR CO.
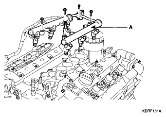
  11. Disconnect the LH injector connectors.
  12. Remove the delivery pipe & injector assembly (A).
    Fig 18: Identifying Delivery Pipe & Injector Assembly (A)
    G04890682Courtesy of HYUNDAI MOTOR CO.
  13. Remove the intake the manifold (A).
    Fig 19: Identifying The Intake Manifold (A)
    G00510039Courtesy of HYUNDAI MOTOR CO.
    CAUTION:
    • Be sure to drain the engine coolant before removing the intake manifold.
    • If any coolant drained from the cylinder head vent hole has entered the intake port. This can potentially lead to engine trouble.
  14. Installation is reverse order of removal.
  15. Tighten the intake manifold bolts and nuts, in several passes as below.

    Tightening torque: 

    Step 1: 3.9 ~ 5.9N.m (0.4 ~ 0.6kgf.m, 2.9 ~ 4.3lb-ft)

    Step 2:Nut- 18.6 ~ 23.5N.m (1.9~2.4kgf.m, 13.7~17.4lb-ft)

    Bolt -26.5 ~ 31.4N.m (2.7~3.2kgf.m, 19.5~23.1lb-ft)

    Step 3: Repeat 2nd step twice or more.

    a ~ h : 1st step order

    1 ~ 8 : 2nd step order

NOTE: Confirm the manifold gasket identification mark (LH, RH) and be careful of the installation direction.
Fig 20: Locating Intake Manifold And Gasket Tightening Sequence
G00510040Courtesy of HYUNDAI MOTOR CO.