lemon-mirror:
Home >> Hyundai >> 2012 >> Azera >> Repair and Diagnosis >> Transmission >> Automatic Trans >> Automatic Transaxle Control System >> Transaxle Control Module (TCM) >> Schematic Diagrams >> Circuit Diagram

Circuit Diagram

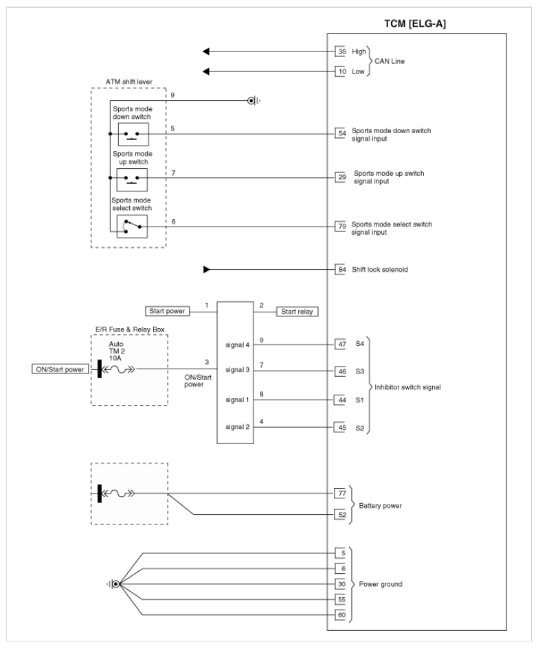
Fig 1: TCM Circuit Diagram (ELG-A) (1 Of 2)
G08809910Courtesy of HYUNDAI MOTOR AMERICA
Fig 2: TCM Circuit Diagram (ELG-A) (2 Of 2)
G08809911Courtesy of HYUNDAI MOTOR AMERICA