lemon-mirror:
Home >> Hyundai >> 2012 >> Elantra GLS, Automatic Trans >> Repair and Diagnosis >> Transmission >> Transmission Control Systems >> Automatic Transaxle Control System >> Transaxle Control Module (TCM) >> Schematic Diagrams >> Circuit Diagram

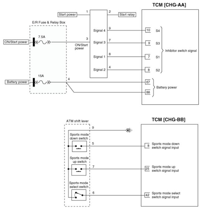
Circuit Diagram

Fig 1: TCM - Circuit Diagram (1 Of 2)
G07264276Courtesy of HYUNDAI MOTOR CO.
Fig 2: TCM - Circuit Diagram (2 Of 2)
G07264277Courtesy of HYUNDAI MOTOR CO.