lemon-mirror:
Home >> Hyundai >> 2012 >> Elantra Touring GLS, Automatic Trans >> Repair and Diagnosis >> Body & Frame >> Windows >> Power Windows >> Power Window Switch >> Components

Power Window Switch: Components

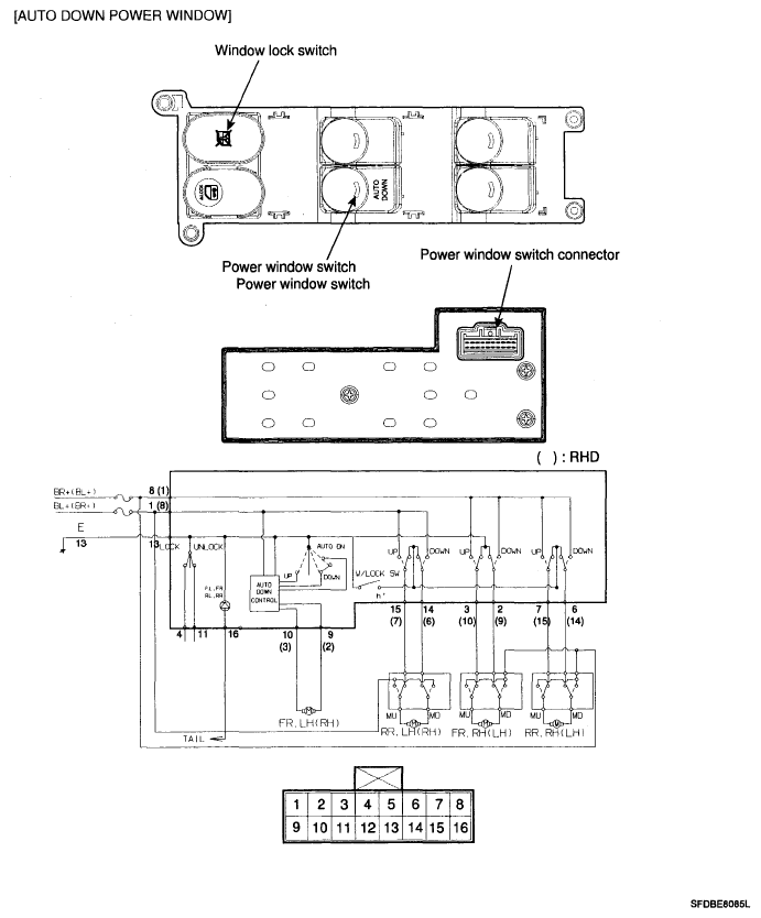
Power Window Main Switch 

Fig 1: Identifying Power Window Main Switch Components And Schematics (1 Of 2)
G06145461Courtesy of HYUNDAI MOTOR CO.
Fig 2: Identifying Power Window Main Switch Components And Schematics (2 Of 2)
G06145462Courtesy of HYUNDAI MOTOR CO.

Passenger/Rear Power Window Switch 

Fig 3: Identifying Passenger/Rear Power Window Switch Components And Schematics
G06145463Courtesy of HYUNDAI MOTOR CO.