lemon-mirror:
Home >> Hyundai >> 2012 >> Sonata Hybrid >> Repair and Diagnosis >> Engine Performance >> Engine Control Systems >> Engine Control System (HEV) >> Engine Control Module (ECM) >> Schematic Diagrams >> Circuit Diagram

Circuit Diagram

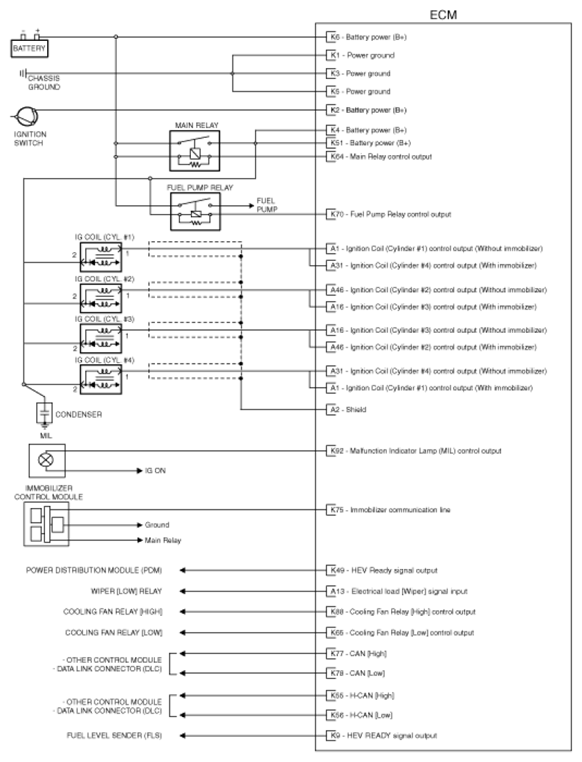
Fig 1: Engine Control Module Circuit Diagram (1 Of 4)
G07317736Courtesy of HYUNDAI MOTOR CO.
Fig 2: Engine Control Module Circuit Diagram (2 Of 4)
G07317737Courtesy of HYUNDAI MOTOR CO.
Fig 3: Engine Control Module Circuit Diagram (3 Of 4)
G07317738Courtesy of HYUNDAI MOTOR CO.
Fig 4: Engine Control Module Circuit Diagram (4 Of 4)
G07317739Courtesy of HYUNDAI MOTOR CO.