lemon-mirror:
Home >> Hyundai >> 2012 >> Veloster Standard Trans >> Repair and Diagnosis >> Engine Performance >> Engine Control Systems >> Engine Control System - Non-Turbo >> Engine Control Module (ECM) >> Schematic Diagrams >> Circuit Diagram

Circuit Diagram

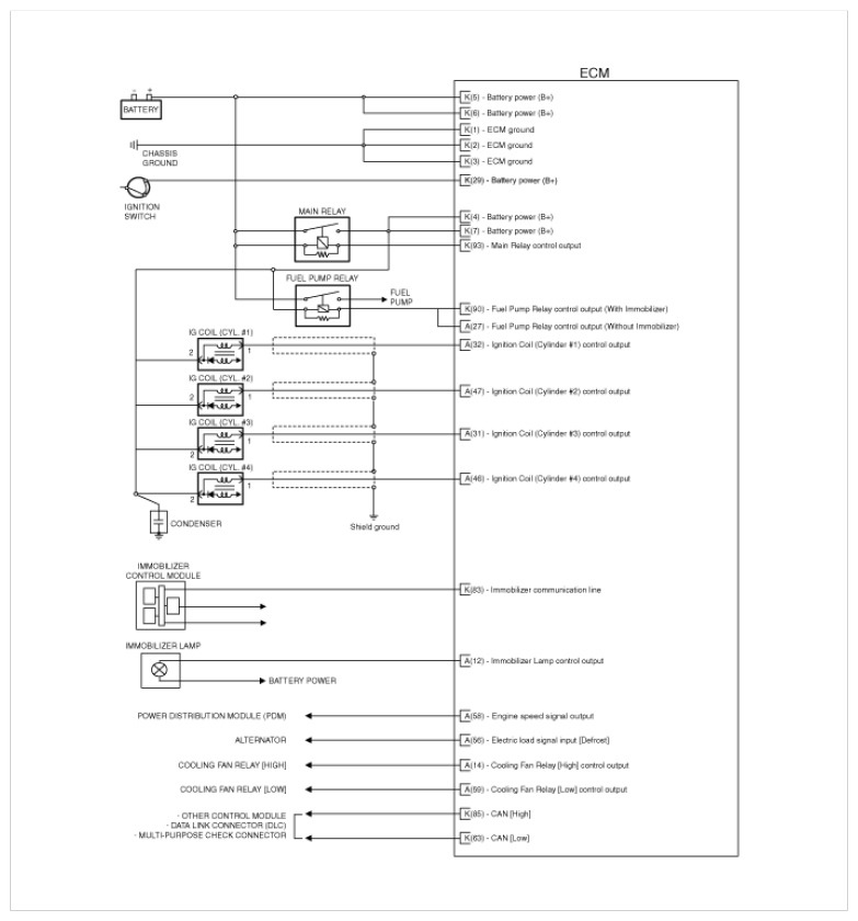
Fig 1: ECM - Circuit Diagram (1 Of 4)
G08807000Courtesy of HYUNDAI MOTOR AMERICA
Fig 2: ECM - Circuit Diagram (2 Of 4)
G08807001Courtesy of HYUNDAI MOTOR AMERICA
Fig 3: ECM - Circuit Diagram (3 Of 4)
G08807002Courtesy of HYUNDAI MOTOR AMERICA
Fig 4: ECM - Circuit Diagram (4 Of 4)
G08807003Courtesy of HYUNDAI MOTOR AMERICA