lemon-mirror:
Home >> Hyundai >> 2014 >> Santa Fe Sport Base, FWD >> Repair and Diagnosis >> Engine Performance >> Engine Control Systems >> Engine Control System - 2.4L >> Engine Control Module (ECM) >> Schematic Diagrams >> Circuit Diagram

Circuit Diagram

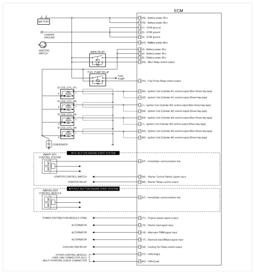
Fig 1: ECM - Circuit Diagram (1 Of 4)
G09367439Courtesy of HYUNDAI MOTOR AMERICA
Fig 2: ECM - Circuit Diagram (2 Of 4)
G09367440Courtesy of HYUNDAI MOTOR AMERICA
Fig 3: ECM - Circuit Diagram (3 Of 4)
G09367441Courtesy of HYUNDAI MOTOR AMERICA
Fig 4: ECM - Circuit Diagram (4 Of 4)
G09367442Courtesy of HYUNDAI MOTOR AMERICA