lemon-mirror:
Home >> Hyundai >> 2014 >> Veloster Turbo, Automatic Trans >> Repair and Diagnosis >> Transmission >> Transmission Control Systems >> Automatic Transaxle Control System >> Transaxle Control Module (TCM) >> Schematic Diagrams >> Circuit Diagram

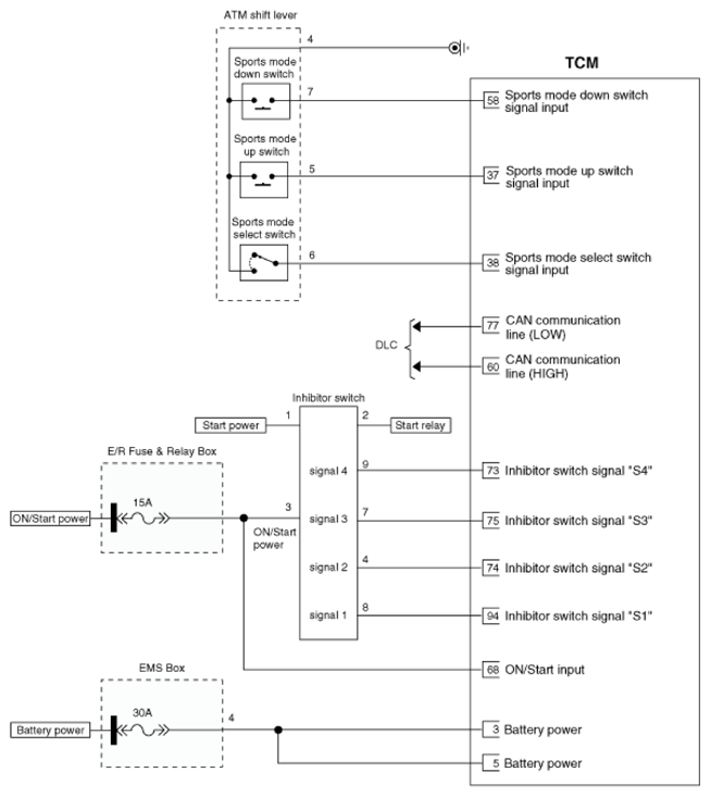
Circuit Diagram

Fig 1: ATM Solenoid Valve And TCM - Circuit Diagram (1 Of 2)
G09150593Courtesy of HYUNDAI MOTOR AMERICA
Fig 2: ATM Solenoid Valve And TCM - Circuit Diagram (2 Of 2)
G09150594Courtesy of HYUNDAI MOTOR AMERICA