lemon-mirror:
Home >> Hyundai >> 2015 >> Accent GLS, Automatic Trans >> Repair and Diagnosis >> Engine Performance >> Engine Control Systems >> Engine Control System >> Engine Control Module (ECM) >> Schematic Diagrams >> Circuit Diagram >> (A/T)

Circuit Diagram: (A/T)

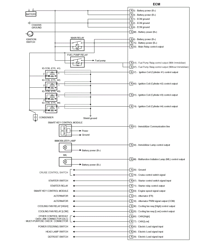
Fig 1: Engine Control Module Circuit Diagram (1 Of 4)
G00556636Courtesy of HYUNDAI MOTOR AMERICA
Fig 2: Engine Control Module Circuit Diagram (2 Of 4)
G00556637Courtesy of HYUNDAI MOTOR AMERICA
Fig 3: Engine Control Module Circuit Diagram (3 Of 4)
G00556638Courtesy of HYUNDAI MOTOR AMERICA
Fig 4: Engine Control Module Circuit Diagram (4 Of 4)
G00556639Courtesy of HYUNDAI MOTOR AMERICA