lemon-mirror:
Home >> Hyundai >> 2017 >> Elantra GT Automatic Trans >> Repair and Diagnosis >> Engine Performance >> Engine Control Systems >> Engine Control System >> Engine Control Module (ECM) >> Schematic Diagrams >> Circuit Diagram >> (M/T)

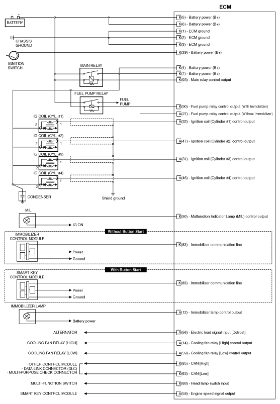
Circuit Diagram: (M/T)

Fig 1: ECM Circuit (M/T; 1 Of 4)
G12066273Courtesy of HYUNDAI MOTOR AMERICA
Fig 2: ECM Circuit (M/T; 2 Of 4)
G12066274Courtesy of HYUNDAI MOTOR AMERICA
Fig 3: ECM Circuit (M/T; 3 Of 4)
G12066275Courtesy of HYUNDAI MOTOR AMERICA
Fig 4: ECM Circuit (M/T; 4 Of 4)
G12066276Courtesy of HYUNDAI MOTOR AMERICA