lemon-mirror:
Home >> Hyundai >> 2017 >> Elantra Value Edition >> Repair and Diagnosis >> Body & Frame >> Windows >> Power Windows >> Power Window Switch >> Components And Components Location >> Components >> [Rear Power Window Switch]

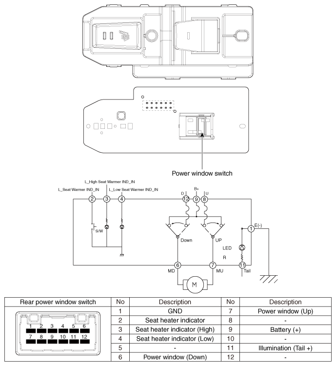
[Rear Power Window Switch]

Fig 1: Rear Power Window Switch Circuit Diagram And Connector Terminals
G12023608Courtesy of HYUNDAI MOTOR AMERICA