lemon-mirror:
Home >> Hyundai >> 2019 >> Elantra Limited >> Repair and Diagnosis >> Body & Frame >> Windows >> Power Windows >> Power Window Switch >> Components And Components Location >> Components >> [Rear Power Window Switch]

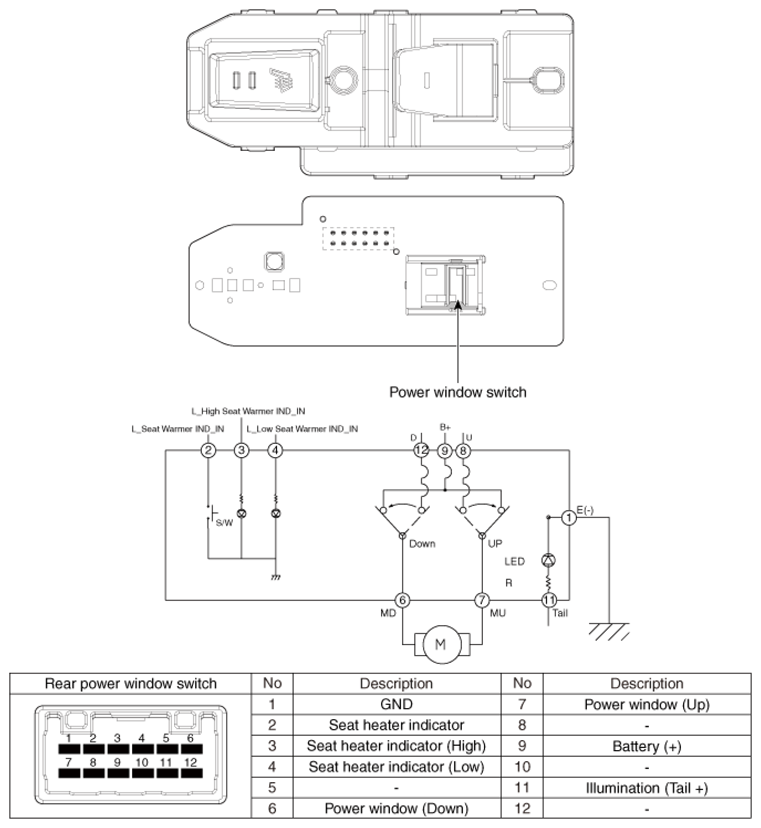
[Rear Power Window Switch]

G12975288Courtesy of HYUNDAI MOTOR AMERICA