lemon-mirror:
Home >> Hyundai >> 2020 >> Elantra Value Edition >> Repair and Diagnosis >> Body & Frame >> Windows >> Power Windows >> Power Window Switch >> Components And Components Location >> Components >> [Rear Power Window Switch]

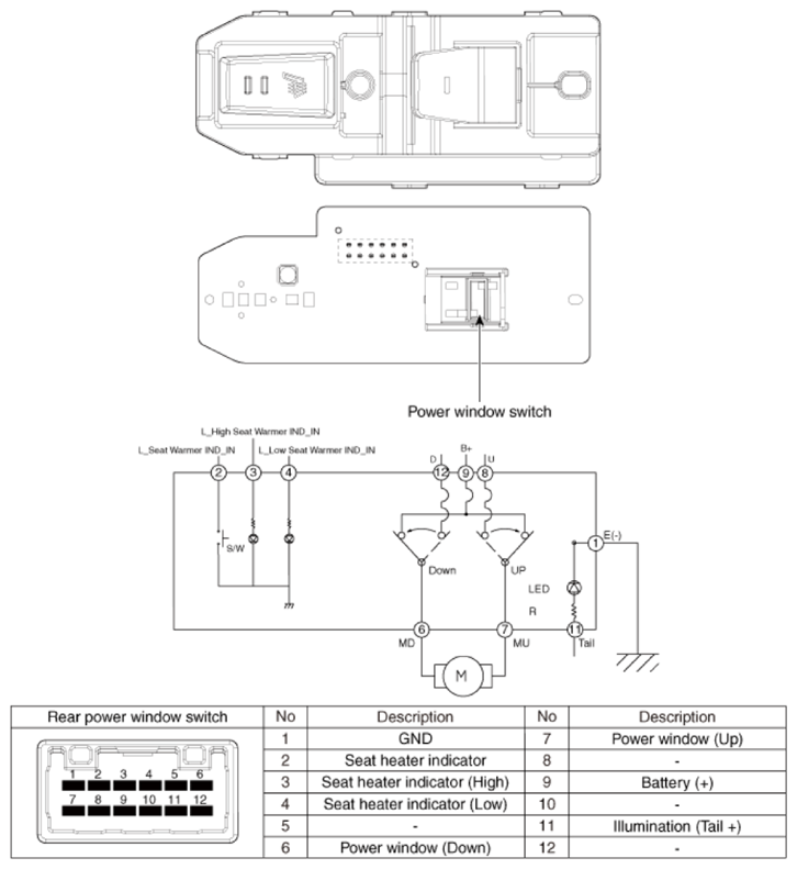
[Rear Power Window Switch]

G14083422Courtesy of HYUNDAI MOTOR AMERICA