lemon-mirror:
Home >> Hyundai >> 2021 >> Veloster 2.0, Automatic Trans >> Repair and Diagnosis >> Transmission >> Transmission Control Systems >> Automatic Transaxle Control System - 2.0L >> Transaxle Control Module (TCM) >> Schematic Diagrams >> Circuit Diagram >> Notes

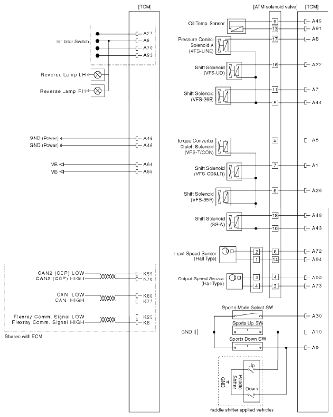
Circuit Diagram: Notes

G13055908Courtesy of HYUNDAI MOTOR AMERICA