lemon-mirror:
Home >> Hyundai >> 2021 >> Venue SE >> Repair and Diagnosis >> Engine Performance >> Engine Control Systems >> Engine Control System >> Knock Sensor (KS) >> Schematic Diagrams >> Circuit Diagram >> Notes

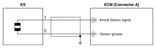
Circuit Diagram: Notes

G14694447Courtesy of HYUNDAI MOTOR AMERICA